Вы здесь
Компактные приточно-вытяжные установки серии ZPVP PE
Компактные приточно-вытяжные установки с пластинчатым рекуператором (подвесное исполнение) серии ZPVP PЕ.
Приточно-вытяжные установки серии ZPVP PЕ предназначены для очистки, подогрева и подачи в помещения чистого подготовленного воздуха и могут применяться для вентиляции жилых, административных и производственных помещений.
Очистка приточного воздуха происходит при помощи карманного фильтра класса EU5. Подогрев воздуха осуществляется при помощи электрического нагревателя (модели ZPVP PE) либо опционального канального водяного нагревателя (модели ZPVP PW). Для уменьшения энергопотребления используется высокоэффективный пластинчатый рекуператор с эффективностью до 75%. В процессе работы вытяжной воздух, удаляемый из помещения, очищается и поступает на пластинчатый рекуператор, при помощи которого из вытяжного воздуха извлекается тепло и передается приточному воздуху.
Корпус выполнен из листовой оцинкованной стали. Звуко-теплоизоляция корпуса толщиной 25 или 50 мм из базальтовой минеральной ваты.
В установках серии ZPVP PЕ используются высокопроизводительные вентиляторы с пониженным уровнем шума. Защита двигателей вентиляторов осуществляется встроенными термоконтактами с автоматическим перезапуском.
Компактные приточно-вытяжные установки ZPVP P имеют встроенную систему автоматики, установленную и настроенную в заводских условиях.
Основные функции системы автоматики
- Регулирование скорости вентиляторов;
- Регулирование температуры приточного воздуха;
- Двухуровневая защита от замерзания рекуператора;
- Контроль аварийных ситуаций (пожарная сигнализация, загрязнение фильтров, термозащита нагревателей и т.п.);
- Контроль текущих параметров воздуха (температура и влажность уличного воздуха, температура приточного, вытяжного и выбрасываемого воздуха;
- Управление приводами воздушных клапанов.
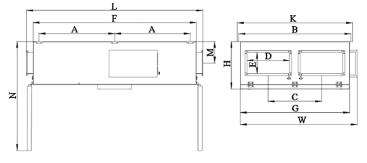
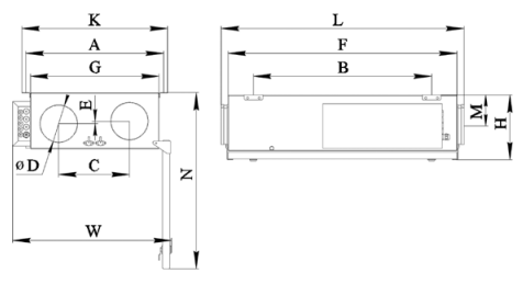
Габаритные размеры ZPVP PЕ
Модели: ZPVP 450 PE, ZPVP 800 PE, ZPVP 1000 PE
Модели: ZPVP 1500 PE
Модель | Размеры, мм | Вес, кг | ||||||||||||
A | B | C | D | E | F | G | H | K | L | M | N | W | ||
ZPVP 450 PE | 588 | 755 | 300 | 160 | 11 | 970 | 545 | 275 | 618 | 1050 | 132 | 750 | 675 | 42 |
ZPVP 800 PE | 743 | 985 | 320 | 250 | 0 | 1200 | 700 | 304 | 773 | 1280 | 135 | 935 | 825 | 57 |
ZPVP 1000 PE | 893 | 1285 | 430 | 315 | 0 | 1500 | 850 | 500 | 923 | 1580 | 246 | 1280 | 1015 | 113 |
ZPVP 1500 PE | 880 | 1312 | 620 | 500 | 250 | 1900 | 1270 | 550 | 1342 | 2052 | 250 | 1270 | 1362 | 189 |
Технические характеристики ZPVP PЕ
Номер графика | Модель установки | Фильтры прит. / вытяж. | Мощность предварительного электронагревателя, кВт | Мощность электрического нагревателя, кВт | КПД рекуператора, % | Число фаз, напряжение, В(50Гц) / потребляемая мощность, кВт / рабочий ток, А |
1 | ZPVP 450 PE | EU5/EU3 | 1,2 | 2,0 | 60 | ~1, 230 / 3,8 / 16,9 |
2 | ZPVP 800 PE | EU5/EU3 | 1,5 | 3,0 | 60 | ~1, 230 / 5,1 / 23,1 |
3 | ZPVP 1000 PE | EU5/EU5 | - | 6,0 | 54 | ~3, 400/ 6,7 / 10,5 |
4 | ZPVP 1500 PE | EU5/EU5 | - | 9,0 | 54 | ~3, 400 / 9,7 / 15,2 |