Вы здесь
Приточные установки Tribwerk Airbox УРАЛ
Компактные приточные установки Tribwerk Airbox УРАЛ предназначены для очистки, подогрева и подачи свежего воздуха в жилые, общественные и производственные помещения средних объемов: офисы, магазины, коттеджи и т.д.
Установки можно устанавливать непосредственно в обслуживаемом помещении, в т.ч. за подвесным потолком.
Особенности Tribwerk Airbox УРАЛ
- Изготавливаются в компактном звукотеплоизолированном корпусе из листовой оцинкованной стали;
- Толщина изоляции из базальтовой минеральной ваты 50 мм;
- Вентилятор установки оборудован высокоэффективной крыльчаткой с назад загнутыми лопатками и асинхронным двигателем с внешним ротором;
- Уплотненные шариковые подшипники двигателя не требуют техобслуживания и обеспечивают увеличенный срок службы;
- Защита двигателя вентилятора осуществляется термоконтактами, требующими подключения внешнего защитного термореле;
- Блок нагревательных элементов из нержавеющей стали имеет двухступенчатую защиту от перегрева;
- Первая ступень настроена на 60 °С и перезапускается автоматически, вторая ступень настроена на 120 °С и перезапускается вручную;
- Оснащена карманным фильтром класса EU5.
- Предназначена для монтажа непосредственно к круглым воздуховодам;
- Присоединительные патрубки имеют резиновые уплотнения.
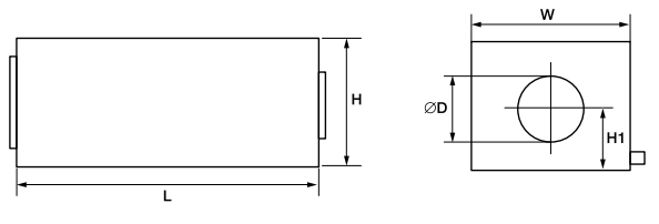
Габаритные размеры Tribwerk Airbox УРАЛ
Модель | Размеры, мм | Вес, кг | |||||||
W | W1 | H | H1 | L | D | H2 | W2 | ||
Tribwerk 2000-W УРАЛ | 625 | 605 | 400 | 198 | 1400 | 250 | — | — | 75 |
Tribwerk 3000-W УРАЛ | 720 | 700 | 500 | 256 | 1500 | 315 | — | — | 98 |
Tribwerk 4000-W УРАЛ | 840 | 820 | 500 | 240 | 1500 | — | 300 | 500 | 103 |
Tribwerk 6000-W УРАЛ | 940 | 920 | 600 | 328 | 1700 | — | 350 | 600 | 175 |
Tribwerk 4000 УРАЛ | 840 | 820 | 500 | 240 | 1500 | — | 300 | 500 | 103 |
Tribwerk 6000 УРАЛ | 940 | 920 | 600 | 328 | 1700 | — | 350 | 600 | 175 |
Модель | Размеры, мм | Вес, кг | |||||||
W | W1 | H | H1 | L | D | H2 | W2 | ||
Tribwerk 2000/2,4 УРАЛ | 625 | 605 | 400 | 198 | 1400 | 250 | — | — | 75 |
Tribwerk 2000/5,0 УРАЛ | 625 | 605 | 400 | 198 | 1400 | 250 | — | — | 75 |
Tribwerk 2000/9,0–12,0 УРАЛ | 625 | 605 | 400 | 198 | 1400 | 250 | — | — | 75 |
Tribwerk 3000 УРАЛ | 720 | 700 | 500 | 256 | 1500 | 315 | — | — | 98 |
Tribwerk 4000 УРАЛ | 840 | 820 | 500 | 240 | 1500 | — | 300 | 500 | 103 |
Tribwerk 6000 УРАЛ | 940 | 920 | 600 | 328 | 1700 | — | 350 | 600 | 175 |
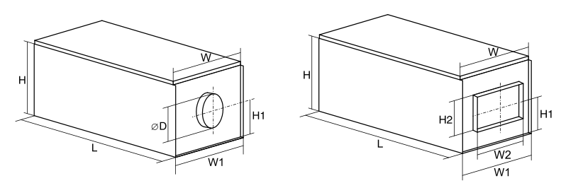
Модель | Размеры, мм | Вес, кг | ||||
W | H1 | L | H | D | ||
Tribwerk Airbox 500 УРАЛ | 434 | 125 | 884 | 250 | 125 | 30 |
Tribwerk Airbox 800 УРАЛ | 459 | 207 | 965 | 399 | 160 | 37 |
Технические характеристики Tribwerk Airbox УРАЛ
Модель | Нагреватель | Вентилятор | ||||
Напряжение, В/ число фаз (50 Гц) | Мощность, кВт | Напряжение, В/ число фаз (50 Гц) | Рабочий ток, А | Потребляемая мощность, кВт | Частота вращения, об/ мин. | |
Tribwerk Airbox 2000/1-2,4/1 УРАЛ | 230/1 | 2,4 | 230/1 | 3.0 | 0.69 | 1190 |
Tribwerk Airbox 2000/3-2,4/1 УРАЛ | 230/1 | 2.4 | 400/3 | 1.90 | 0.93 | 1380 |
Tribwerk Airbox 2000/1-5,0/2 УРАЛ | 400/2 | 5.0 | 230/1 | 3.0 | 0.69 | 1190 |
Tribwerk Airbox 2000/3-5,0/2 УРАЛ | 400/2 | 5.0 | 400/3 | 1.90 | 0.93 | 1380 |
Tribwerk Airbox 2000/1-9,0/3 УРАЛ | 400/3 | 9,0 | 230/1 | 3,0 | 0,69 | 1190 |
Tribwerk Airbox 2000/3-9,0/3 УРАЛ | 400/3 | 9.0 | 400/3 | 1,90 | 0,93 | 1380 |
Tribwerk Airbox 2000/1-12,0/3 УРАЛ | 400/3 | 12,0 | 230/1 | 3.0 | 0,69 | 1190 |
Tribwerk Airbox 2000/3-12,0/3 УРАЛ | 400/3 | 12.0 | 400/3 | 1.90 | 0.93 | 1380 |
Tribwerk Airbox 3000/1-6,0/2 УРАЛ | 400/2 | 6.0 | 230/1 | 5.10 | 1.15 | 1210 |
Tribwerk Airbox 3000/3-6,0/2 УРАЛ | 400/2 | 6.0 | 400/3 | 2.60 | 1.5 | 1310 |
Tribwerk Airbox 3000/1-15,0/3 УРАЛ | 400/3 | 15,0 | 230/1 | 5,10 | 1,15 | 1210 |
Tribwerk Airbox 3000/3-15,0/3 УРАЛ | 400/3 | 15,0 | 400/3 | 2,60 | 1.5 | 1310 |
Tribwerk Airbox 3000/1-22,5/3 УРАЛ | 400/3 | 22,5 | 230/1 | 5.10 | 1.15 | 1210 |
Tribwerk Airbox 3000/3-22,5/3 УРАЛ | 400/3 | 22.5 | 400/3 | 2.60 | 1,5 | 1310 |
Tribwerk Airbox 4000/1-15,0/3 УРАЛ | 400/3 | 15,0 | 230/1 | 11,00 | 2,5 | 1340 |
Tribwerk Airbox 4000/3-15,0/3 УРАЛ | 400/3 | 15,0 | 400/3 | 4,10 | 2,5 | 1300 |
Tribwerk Airbox 4000/1-22,5/3 УРАЛ | 400/3 | 22.5 | 230/1 | 11,0 | 2,5 | 1340 |
Tribwerk Airbox 4000/3-22,5/3 УРАЛ | 400/3 | 22,5 | 400/3 | 4,10 | 2,5 | 1300 |
Tribwerk Airbox 4000/1-30,0/3 УРАЛ | 400/3 | 30.0 | 230/1 | 11.00 | 2.5 | 1340 |
Tribwerk Airbox 4000/3-30,0/3 УРАЛ | 400/3 | 30.0 | 400/3 | 4.00 | 2.5 | 1300 |
Tribwerk Airbox 4000/1-45,0/3 УРАЛ | 400/3 | 45.0 | 230/1 | 11.00 | 2.5 | 1340 |
Tribwerk Airbox 4000/3-45,0/3 УРАЛ | 400/3 | 45.0 | 400/3 | 4.00 | 2.5 | 1300 |
Tribwerk Airbox 6000/3-22,5/3 УРАЛ | 400/3 | 22.5 | 400/3 | 6.00 | 3.7 | 1320 |
Tribwerk Airbox 6000/3-30,0/3 УРАЛ | 400/3 | 30.0 | 400/3 | 6.00 | 3.7 | 1320 |
Tribwerk Airbox 6000/3-45,0/3 УРАЛ | 400/3 | 45.0 | 400/3 | 6.00 | 3.7 | 1320 |
Tribwerk Airbox 6000/3-60,0/3 УРАЛ | 400/3 | 60.0 | 400/3 | 6.00 | 3.7 | 1320 |
Модель | Максимальное давление, Па | Максимальный расход воздуха, м3/ч |
Tribwerk Airbox 2000/1-2,4/1 УРАЛ | 340 | 1750 |
Tribwerk Airbox 2000/3-2,4/1 УРАЛ | 330 | 1900 |
Tribwerk Airbox 2000/1-5,0/2 УРАЛ | 340 | 1750 |
Tribwerk Airbox 2000/3-5,0/2 УРАЛ | 330 | 1900 |
Tribwerk Airbox 2000/1-9,0/3 УРАЛ | 340 | 1750 |
Tribwerk Airbox 2000/3-9,0/3 УРАЛ | 330 | 1900 |
Tribwerk Airbox 2000/1-12,0/3 УРАЛ | 340 | 1750 |
Tribwerk Airbox 2000/3-12,0/3 УРАЛ | 330 | 1900 |
Tribwerk Airbox 3000/1-6,0/2 УРАЛ | 430 | 2750 |
Tribwerk Airbox 3000/3-6,0/2 УРАЛ | 440 | 3200 |
Tribwerk Airbox 3000/1-15,0/3 УРАЛ | 430 | 2750 |
Tribwerk Airbox 3000/3-15,0/3 УРАЛ | 440 | 3200 |
Tribwerk Airbox 3000/1-22,5/3 УРАЛ | 430 | 2750 |
Tribwerk Airbox 3000/3-22,5/3 УРАЛ | 440 | 3200 |
Tribwerk Airbox 4000/1-15,0/3 УРАЛ | 590 | 4000 |
Tribwerk Airbox 4000/3-15,0/3 УРАЛ | 560 | 4500 |
Tribwerk Airbox 4000/1-22,5/3 УРАЛ | 590 | 4000 |
Tribwerk Airbox 4000/3-22,5/3 УРАЛ | 560 | 4500 |
Tribwerk Airbox 4000/1-30,0/3 УРАЛ | 590 | 4000 |
Tribwerk Airbox 4000/3-30,0/3 УРАЛ | 560 | 4500 |
Tribwerk Airbox 4000/1-45,0/3 УРАЛ | 590 | 4000 |
Tribwerk Airbox 4000/3-45,0/3 УРАЛ | 560 | 4500 |
Tribwerk Airbox 6000/3-22,5/3 УРАЛ | 780 | 6020 |
Tribwerk Airbox 6000/3-30,0/3 УРАЛ | 780 | 6020 |
Tribwerk Airbox 6000/3-45,0/3 УРАЛ | 780 | 6020 |
Tribwerk Airbox 6000/3-60,0/3 УРАЛ | 780 | 6020 |