Вы здесь

Пластинчато-роторный вакуумный насос RA 0100 F 

Пластинчато-роторный вакуумный насос RA 0100 F используется в цикличной или непрерывной откачке воздуха, газа и парогазовых смесей до остаточного давления 0,1 мбар (0,08 мм рт. столба) с производительностью от 0,1 до 100 м3/час. 

Особенности насоса RA 0100 F

  • Рабочий объем масла 2 литра;
  • Оснащен трехфазным электродвигателем мощностью 2,2 кВт, 1500 оборотов/мин;
  • Уровень шума не более 65 дБ;
  • Модель может оснащаться фильтром на входе (опция);
  • Для откачки кислорода предусмотрена специальная «Кислородная» версия модели.

Принцип работы вакуумного насоса RA 0100 F

  • Принцип работы машины — роторно-лопастной;
  • Масло устраняет зазоры, смазывает лопасти и поглощает тепло, выделяемое при сжатии;
  • Циркулирующее масло проходит очистку в масляном фильтре;
  • Выхлопные фильтры отделяют масло от отработавшего газа.

Конструкция вакуумного насоса RA 0100 F

  • IN - Всасывающий патрубок;
  • OUT - Выход газа;
  • OFP - Пробка маслозаливной горловины;
  • OSG - Смотровое стекло для проверки уровня масла;
  • ODP - Пробка маслосливного отверстия;
  • EB - Болт с проушиной;
  • GB - Газобалластный клапан;
  • MTB - Клеммная коробка двигателя;
  • DA - Стрелка-указатель;
  • EF - Выпускной фильтр;
  • NP - Заводская табличка;
  • OF- Масляный фильтр;
  • AF - Осевой вентилятор;
  • OS - Маслоотделитель.

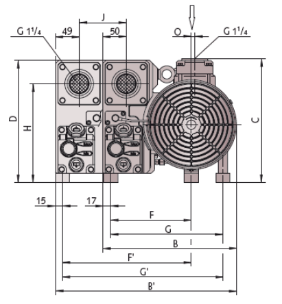
Габаритные размеры насоса RA 0100 F

A B B' C D E F F' G G' H J K L M N O Q
694 - 406 290 280 282 - 277 - 277 231 93 93 170 0 226 0 0

 

Технические характеристики вакуумного насоса RA 0100 F

Номинальная всасывающая способность (50 Гц / 60 Гц), м³/ч 100 / 120
Предельное давление, гПа (мбар) абс. см. заводскую табличку
Номинальная мощность двигателя (50 Гц / 60 Гц), кВт 2,7 / 3,4
Номинальные обороты двигателя (50 Гц / 60 Гц), мин-1 1500 / 1800
Уровень звукового давления (EN ISO 2151) (50 Гц / 60 Гц), дБ (A) 65 / 68
Максимальная устойчивость к водяным парам (с газобалластным клапанам), гПа (мбар) 40
Расход водяного пара (с газобалластным клапанам), л/ч 2,8
Рабочая температура (50 Гц / 60 Гц), °C 84 / 93
Диапазон температур окружающей среды, °C См. раздел Масло [} 20]
Давление окружающей среды Атмосферное давление
Количество масла, л 2,0
Вес, прибл., кг 73

Аэродинамические характеристики насоса RA 0100 F

Назад к списку