Вы здесь
Погружная воздуходувка ANLET BWH
Погружные воздуходувки ( компрессоры ) ANLET серии BWH применяются на очистных сооружений для организации аэрации сточной воды.
Особенностью погружных компрессоров ANLET серии BWH является заглубленное размещение под водой.
Благодаря установке под водой компрессоры ANLET серии BWH не требуют строительства специальных зданий для их размещения, отличаются пониженным уровнем шума при работе, при этом обеспечивают высокую производительность и эффективность работы системы аэрации.
Не требует строительства специальных зданий для размещения. Высокая эффективность
Характеристики воздуходувки ANLET BWH
Модель |
Диам. канала |
Погруж-ной мотор 3 фаз. |
Производительность на всасывание воздуха (м3/мин) и требуемая мощность (кВт) |
|||||||||||
10кПа (1020мм водн. столба) |
20кПа (2040мм водн. столба) |
30кПа (3060мм водн. столба) |
40кПа (4080мм водн. столба) |
50кПа (5100мм водн. столба) |
60кПа (6120мм водн. столба) |
|||||||||
м3/мин |
кВт |
м3/мин |
кВт |
м3/мин |
кВт |
м3/мин |
кВт |
м3/мин |
кВт |
м3/мин |
кВт |
|||
BWH2504 |
25A (1B) |
0,4 кВт |
0,31 |
0,23 |
0,28 |
0,27 |
0,25 |
0,31 |
0,22 |
0,35 |
0,19 |
0,40 |
||
BWH2504A |
25A (1B) |
0,4 кВт |
0,39 |
0,28 |
0,35 |
0,33 |
0,31 |
0,38 |
||||||
BWH3208 |
32A (1¼B) |
0,75 кВт |
0,56 |
0,38 |
0,49 |
0,44 |
0,42 |
0,50 |
0,36 |
0,56 |
0,30 |
0,63 |
||
BWH3208A |
32A (1¼B) |
0,75 кВт |
0,69 |
0,39 |
0,61 |
0,45 |
0,53 |
0,53 |
0,46 |
0,62 |
0,40 |
0,73 |
||
BWH4015 |
40A (1½B) |
1,5 кВт |
0,99 |
0,60 |
0,88 |
0,78 |
0,77 |
0,96 |
0,67 |
1,16 |
0,58 |
1,38 |
||
BWH4015D |
40A (1½B) |
1,5 кВт |
1,15 |
0,70 |
1,05 |
0,90 |
0,95 |
1,10 |
0,87 |
1,30 |
||||
BWH4022 |
40A (1½B) |
2,2 кВт |
1,18 |
0,72 |
1,07 |
0,92 |
0,98 |
1,12 |
0,91 |
1,32 |
0,85 |
1,52 |
0,80 |
1,75 |
BWH5015 |
50A (2B) |
1,5 кВт |
1,15 |
0,70 |
1,05 |
0,90 |
0,95 |
1,10 |
0,87 |
1,30 |
||||
BWH5022 |
50A (2B) |
2,2 кВт |
1,48 |
0,81 |
1,33 |
1,06 |
1,18 |
1,31 |
1,05 |
1,61 |
0,93 |
1,93 |
||
BWH5022D |
50A (2B) |
2,2 кВт |
2,10 |
1,0 |
1,98 |
1,4 |
1,87 |
1,8 |
1,78 |
2,2 |
||||
BWH5037 |
50A (2B) |
3,7 кВт |
2,20 |
1,5 |
2,06 |
1,9 |
1,92 |
2,2 |
1,81 |
2,6 |
1,72 |
3,1 |
1,65 |
3,6 |
BWH6522 |
65A (2½B) |
2,2 кВт |
2,10 |
1,0 |
1,98 |
1,4 |
1,87 |
1,8 |
1,78 |
2,2 |
||||
BWH6537 |
65A (2½B) |
3,7 кВт |
3,06 |
1,6 |
2,88 |
1,9 |
2,70 |
2,4 |
2,54 |
2,9 |
2,40 |
3,6 |
||
BWH6537A |
65A (2½B) |
3,7 кВт |
3,90 |
1,8 |
3,70 |
2,3 |
3,50 |
2,9 |
3,31 |
3,7 |
||||
BWH6555 |
65A (2½B) |
5,5 кВт |
3,06 |
1,6 |
2,88 |
1,9 |
2,70 |
2,4 |
2,54 |
2,9 |
2,40 |
3,6 |
2,31 |
4,3 |
BWH8055 |
80A (3B) |
5,5 кВт |
4,56 |
2,0 |
4,28 |
2,8 |
4,00 |
3,6 |
3,75 |
4,3 |
3,50 |
5,5 |
||
BWH8075 |
80A (3B) |
7,5 кВт |
5,30 |
2,2 |
5,05 |
3,1 |
4,80 |
4,0 |
4,50 |
5,1 |
4,31 |
6,2 |
4,11 |
7,3 |
BWH10075 |
100A (4B) |
7,5 кВт |
6,4 |
2,8 |
6,2 |
3,9 |
6,0 |
5,0 |
5,8 |
6,2 |
5,6 |
7,5 |
||
BWH10011 |
100A (4B) |
11 кВт |
6,4 |
2,8 |
6,2 |
3,9 |
6,0 |
5,0 |
5,8 |
6,2 |
5,6 |
7,5 |
5,4 |
9,0 |
BWH12575 |
125A (5B) |
7,5 кВт |
6,4 |
2,8 |
6,2 |
3,9 |
6,0 |
5,0 |
5,8 |
6,2 |
5,6 |
7,5 |
||
BWH12511 |
125A (5B) |
11 кВт |
9,6 |
3,7 |
9,3 |
5,5 |
9,0 |
7,3 |
8,8 |
9,2 |
8,6 |
11,0 |
||
BWH12515 |
125A (5B) |
15 кВт |
9,6 |
3,7 |
9,3 |
5,5 |
9,0 |
7,3 |
8,8 |
9,2 |
8,6 |
11,0 |
8,4 |
13,1 |
Габаритные размеры воздуходувки ANLET BWH
Модель |
Диам. канала |
A |
B |
C |
D |
E |
F |
G |
H |
I |
J |
K |
L |
N |
Шланговый кабель |
Вес (кг) |
BWH2504 |
25A |
228 |
133 |
361 |
276 |
414 |
690 |
176 |
301 |
580 |
130 |
140 |
500 |
700X500 или Ø 600 |
1,25мм2Х6м |
56 |
BWH2504A |
25A |
243 |
148 |
391 |
276 |
414 |
690 |
176 |
301 |
580 |
130 |
140 |
500 |
59 |
||
BWH3208 |
32A |
257 |
148 |
405 |
292 |
418 |
710 |
192 |
327 |
580 |
135 |
145 |
550 |
69 |
||
BWH3208A |
32A |
272 |
163 |
435 |
292 |
418 |
710 |
192 |
327 |
580 |
135 |
145 |
550 |
74 |
||
BWH4015 |
40A |
296 |
183 |
479 |
319 |
578 |
897 |
240 |
380 |
650 |
150 |
145 |
650 |
700X500 или Ø 900 |
1,25мм2Х10м |
107 |
BWH4015D |
40A |
306 |
193 |
499 |
319 |
578 |
897 |
240 |
380 |
650 |
150 |
145 |
650 |
110 |
||
BWH4022 |
40A |
343 |
193 |
536 |
319 |
578 |
897 |
240 |
380 |
650 |
150 |
145 |
650 |
113 |
||
BWH5015 |
50A |
306 |
193 |
499 |
319 |
815 |
1134 |
240 |
395 |
870 |
150 |
150 |
750 |
126 |
||
BWH5022 |
50A |
363 |
213 |
576 |
319 |
815 |
1134 |
240 |
395 |
870 |
150 |
150 |
750 |
900X600 или Ø 900 |
137 |
|
BWH5022D |
50A |
343 |
216 |
559 |
398 |
815 |
1213 |
312 |
467 |
870 |
150 |
150 |
850 |
166 |
||
BWH5037 |
50A |
337 |
223 |
560 |
398 |
815 |
1213 |
298 |
453 |
870 |
150 |
150 |
850 |
2мм2Х10м |
161 |
|
BWH6522 |
65A |
342 |
217 |
559 |
398 |
785 |
1183 |
312 |
487 |
870 |
160 |
160 |
850 |
1,25мм2Х10м |
174 |
|
BWH6537 |
65A |
355 |
240 |
595 |
408 |
785 |
1193 |
317 |
492 |
870 |
160 |
160 |
850 |
2мм2Х10м |
190 |
|
BWH6537A |
65A |
375 |
260 |
635 |
408 |
785 |
1193 |
317 |
492 |
870 |
160 |
160 |
850 |
196 |
||
BWH6555 |
65A |
369 |
240 |
609 |
435 |
785 |
1220 |
317 |
492 |
870 |
160 |
160 |
900 |
3,5мм2Х10м |
205 |
|
BWH8055 |
80A |
407 |
278 |
685 |
445 |
900 |
1345 |
332 |
517 |
1120 |
190 |
200 |
950 |
900X600 |
251 |
|
BWH8075 |
80A |
459 |
295 |
754 |
445 |
900 |
1345 |
332 |
517 |
1120 |
190 |
200 |
950 |
5,5мм2Х10м |
268 |
|
BWH10075 |
100A |
424 |
255 |
679 |
425 |
900 |
1325 |
420 |
630 |
1120 |
200 |
210 |
950 |
1200X800 |
313 |
|
BWH10011 |
100A |
452 |
255 |
707 |
445 |
900 |
1345 |
420 |
630 |
1120 |
200 |
210 |
950 |
2 - 5,5мм2Х10м |
363 |
|
BWH12575 |
125A |
424 |
255 |
679 |
425 |
1000 |
1425 |
460 |
710 |
1215 |
200 |
225 |
1000 |
5,5мм2Х10м |
363 |
|
BWH12511 |
125A |
502 |
305 |
807 |
445 |
1000 |
1445 |
460 |
710 |
1215 |
200 |
225 |
1000 |
2 - 5,5мм2Х10м |
413 |
|
BWH12515 |
125A |
552 |
305 |
857 |
445 |
1000 |
1445 |
460 |
710 |
1215 |
200 |
225 |
1000 |
2 - 8мм2Х10м |
423 |
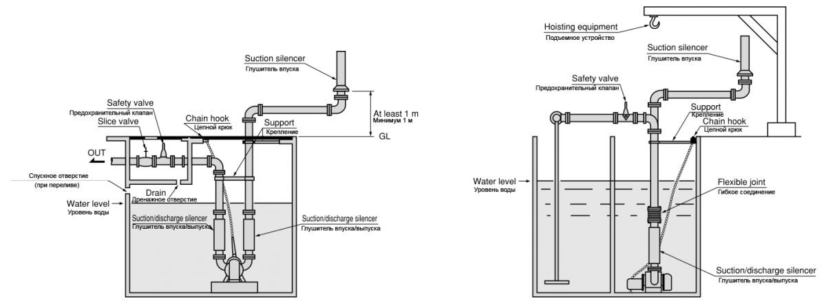
Типовая установка воздуходувки ANLET BWH
- Глушитель впуска устанавливается снаружи емкости (на высоте минимум 1 м над уровнем земли);
- Предохранительный клапан должен быть над максимальным уровнем воды (на расстоянии по меньшей мере 1 м от емкости);
- Использовать металлический трубопровод;
- Отверстие емкости должно быть шире чем воздуходувка;
- Обеспечить крепление трубопроводов;
- Обеспечить дренажное отверстие для оттока воды даже при аварийном повышении уровня воды;
- В случае, если предохранительный клапан установлен как показано на схеме, обеспечить дренажное отверстие, чтобы исключить скопление ливневой воды;
- Исключить контакт подъемной цепи с трубопроводами. (Предотвратить контакт подъемной цепи и трубопроводами при колебании воды от аэрации);
- Установить глушитель впуска на улице в случае эксплуатации подземной емкости.