Вы здесь
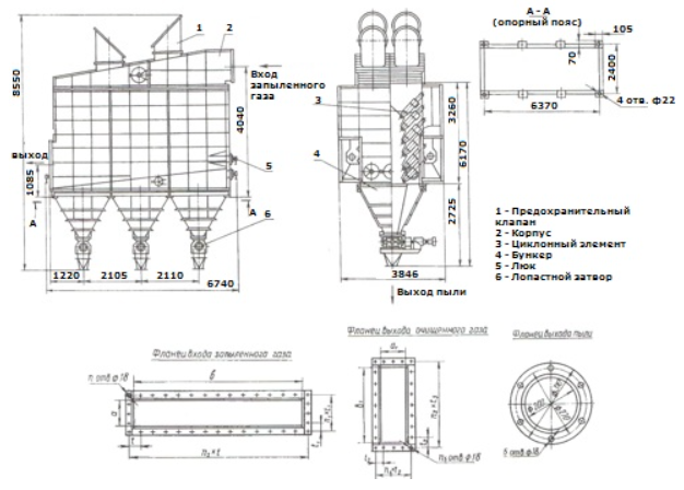
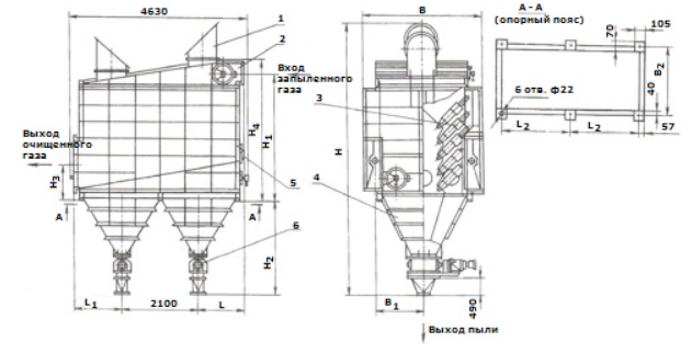
Батарейные циклоны типа ПБЦ
Батарейные циклоны типа ПБЦ предназначены для улавливания пыли технологических газов и воздуха на сушильных установках, в системах промышленной вентиляции и аспирации.
Используются для эксплуатации на углеобогатительных и углебрикетных фабриках.
Также допускаются к применению в других отраслях промышленности.
Технические характеристики ПБЦ
Модель | Производительность по поступающему газу (воздуху), м3/ч | Эффективность пылеулавливания, % | Аэродинамическое сопротивление, даПа (мм вод.ст.) |
ПБЦГ2-15 (ПБЦ-15) | 15000-18000 | 96-99 | 130-150 |
ПБЦГ2-28 (ПБЦ-25) | 28000-31000 | 96-99 | 130-150 |
ПБЦГ2-40 (ПБЦ-35) | 40000-45000 | 96-99 | 130-150 |
ПБЦГ2-55 (ПБЦ-50) | 55000-65000 | 96-99 | 130-150 |
ПБЦГ2-80 (ПБЦ-75) | 80000-90000 | 96-99 | 130-150 |
ПБЦГ2-105 (ПБЦ-100) | 105000-130000 | 96-99 | 130-150 |
ПБЦГ2-155 (ПБЦ-150) | 155000-180000 | 96-99 | 130-150 |
Модель | Номинальная мощность электродвигателя, кВт | Габаритные размеры, мм: | Масса, кг | ||
длина | ширина | высота (без клапанов) | |||
ПБЦГ2-15 (ПБЦ-15) | 0,75 | 2 300 | 2 900 | 4 500 | 3 850 |
ПБЦГ2-28 (ПБЦ-25) | 0,75 | 2 300 | 2 900 | 5 150 | 4 800 |
ПБЦГ2-40 (ПБЦ-35) | 0,75 | 2 300 | 2 900 | 6 000 | 6 150 |
ПБЦГ2-55 (ПБЦ-50) | 1,5 | 4 200 | 2 900 | 5 600 | 10 100 |
ПБЦГ2-80 (ПБЦ-75) | 1,5 | 4 200 | 3 000 | 6 100 | 11 700 |
ПБЦГ2-105 (ПБЦ-100) | 1,5 | 4 200 | 3 200 | 7 200 | 14 400 |
ПБЦГ2-155 (ПБЦ-150) | 2,25 | 6 100 | 3 500 | 7 500 | 21 700 |