Вы здесь
Циклон ЦН-15-200
Циклон ЦН-15-200 используется для очистки газов от взвешенных частиц сухой пыли, образующейся в процессе выполнения различных технологических операций, таких как сушка, обжиг, агломерация или сжигание топлива. Устройство также применяется для очистки аспирационного воздуха в металлургии (черной и цветной), строительстве, энергетике, химической промышленности и металлообработке.
Конструкция циклона выполнена из прочной стали с использованием гнутых и сварных элементов. Основной особенностью этого типа цилиндро-конических устройств является входной патрубок, установленный под углом к горизонтальной плоскости, и спиралевидная крышка, наклон которой соответствует углу патрубка.
Воздух подается в циклону по тангенциальному (касательному) направлению относительно выхлопной трубы, сразу попадая в основной вихревой поток. Благодаря такому входу габариты циклона остаются компактными, а угловое расположение патрубка повышает его производительность. Попадая через входной канал в зону между наружным корпусом циклона и внутренней выхлопной трубой, воздушный поток с частицами пыли закручивается в мощный вихрь.
Центробежная сила, усиливающаяся при уменьшении диаметра входного канала, отбрасывает пылевые частицы к внутренней поверхности корпуса. Под воздействием нисходящего закрученного потока воздуха они перемещаются в коническую часть циклона. По мере уменьшения диаметра в этой части возрастает центробежная сила, что позволяет улавливать более мелкие частицы.
Достигнув нижней части конуса, частицы поступают в пылевыпускное отверстие и направляются в пылесборный бункер (рекомендуется использовать поставляемый отдельно). В бункере, благодаря резкому увеличению диаметра, частицы быстро теряют скорость и оседают на дно. Очищенный воздух, частично поступивший из нижней части конуса и верхней части бункера, закручивается вокруг оси циклона, направляется вверх и выходит через выхлопную трубу.
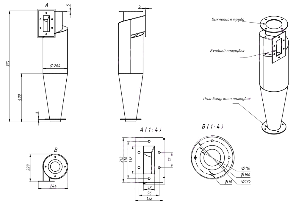
Габаритные размеры ЦН-15-200
Технические характеристики ЦН-15-200
Наименование | Производительность м3/час | Диаметр, мм | Высота, мм | Коэфф. гидравлического сопротивления ζц(КГС) | Скорость Vц, м/с | Скорость Vвх, м/с | Масса не более, кг |
ЦН-15-200 | 400 | 200 | 921 | 160 | 3,5 | 16,0 | 12 |