Вы здесь
Циклон ЦОЛ-3
Циклон ЦОЛ-3 – это надежное оборудование, предназначенное для очистки воздушного потока от пыли и взвешенных частиц в системах пневмотранспорта и аспирации.
Данное оборудование эффективно отделяет воздух от твердых примесей, используя инерционный и гравитационный принципы работы, что делает его незаменимым элементом на промышленных предприятиях.
Основные особенности циклона ЦОЛ-3:
- Высокая эффективность очистки: 95-98%.
- Исполнение: доступно левое и правое исполнение для удобства монтажа.
- Рекомендации по использованию: для повышения эффективности рекомендуется использовать совместно с шлюзовым затвором.
- Подключение: выхлоп циклона подключается к аспирационной сети или вентиляционной системе предприятия, что исключает запыление помещения.
Комплектация циклона ЦОЛ-3:
- Циклон-осадитель.
- Рама под циклон (опционально).
- Руководство по эксплуатации.
Принцип работы:
Циклон ЦОЛ-3 использует инерционные и гравитационные силы для отделения твердых частиц от воздушного потока. Загрязненный воздух поступает в циклон, где под действием центробежной силы частицы пыли отделяются и оседают в бункере, а очищенный воздух выводится через выхлопную систему.
Преимущества циклона ЦОЛ-3:
- Высокая степень очистки воздуха.
- Простота монтажа и эксплуатации.
- Надежность и долговечность конструкции.
- Возможность интеграции в существующие системы аспирации и вентиляции.
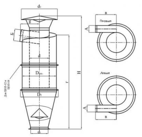
Габаритные размеры ЦОЛ-3

| Циклон | Размеры, мм | ||||
| А | В | D | d | H | |
| ЦОЛ-3 | 162 | 283 | 788 | 220 | 2653 |
Технические характеристики ЦОЛ-3
| Модель | Пропускная способность | Ø наружн. цилиндра | Высота | Масса |
| ЦОЛ-3 | 3 000 м3/ч | 865 мм | 2190 мм | 85 кг |
Пример заказа
Циклон ЦОЛ-3 ( пылеотделитель центробежный ) с фланцем 300 мм и опорами для подвешивания биг бэга размером 950*950 и высотой 1500 мм
Назад к списку



