Вы здесь
Циклон ЦОЛ-4,5
Циклон ЦОЛ-4,5 представляет собой центробежный пылеотделитель, применяемый для очистки воздуха от пыли, поступающего из аспирационных и пневматических систем.
Данная модель разработана на основе циклона ЛИОТ и является его усовершенствованным вариантом.
Циклон эффективно улавливает частицы пыли крупного размера, превышающие 125 мкм, такие как:
- опилки;
- сорные включения;
- зерновая пыль;
- прочие примеси.
В конструкции предусмотрено противоподсосное конусное устройство, которое регулирует давление во входном патрубке циклона, работающего на нагнетании.
Особенности конструкции
- эффективность улавливания крупной зерновой пыли достигает 95–98%;
- не используется для работы с волокнистыми и слипающимися видами пыли;
- выпускается в правом и левом исполнении;
- устанавливается на бункера или шлюзовые перегрузчики;
- нижний бункер обеспечивает накопление улавливаемых материалов;
- объём и форма бункера определяются в зависимости от требуемого периода очистки;
- герметичная сварка бункера и циклона исключает подсос воздуха и повышает эффективность работы на 15%.
Технические характеристики циклона ЦОЛ-4,5
| Тип циклона | Производительность по воздуху, м3/ч | Диаметр, мм | Высота, мм | Масса, кг |
| Циклон ЦОЛ-4,5 | 4500 | 969 | 3260 | 175 |
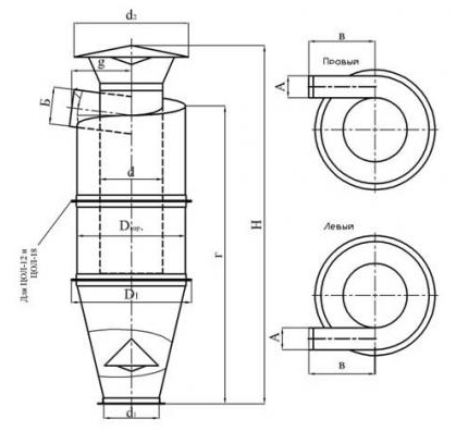
Габаритные размеры ЦОЛ-4,5

| Циклон | Размеры, мм | ||||
| А | В | D | d | H | |
| ЦОЛ-4,5 | 199 | 348 | 969 | 220 | 3260 |



