Вы здесь
Циклоны сухие ЦСТ
Сухие циклоны ЦСТ используются для удаления грубых и среднедисперсных сухих частиц пыли, которые не склонны к слипанию и не обладают абразивными свойствами.
В зависимости от характеристик запылённого газа и требований к степени очистки, данные циклоны могут использоваться как отдельно, так и в качестве первичной или вторичной ступени в многоступенчатых системах фильтрации.
Области применения
Циклоны предназначены для сухой очистки газов, образующихся в различных технологических процессах — таких как сушка, обжиг, агломерация или сжигание топлива. Также они применяются для фильтрации аспирационного воздуха на предприятиях чёрной и цветной металлургии, в химической и нефтяной промышленности, машиностроении, строительной индустрии, энергетике и других сферах.
Ограничения и рекомендации
Использование сухих циклонов в потенциально взрывоопасных зонах не допускается. Оптимальные условия эксплуатации предполагают начальную концентрацию пыли в газовом потоке не выше 300 г/м³.
Изделия сертифицированы. Сертификат соответствия: ТС RU C-RU.АЯ79.В.00384.
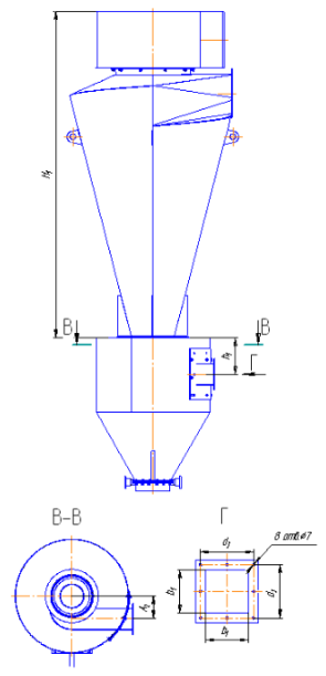
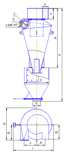
Габаритные размеры ЦСТ
Типоразмер | Размеры, мм | ||||||||||
А | А1 | А2 | В | В1 | В2 | b1 | d | d1 | d2 | d3 | |
ЦСТ №1 | 280 | 194 | 107 | 730 | 345 | 323 | 103 | 164 | 200 | 170 | 130 |
ЦСТ №2 | 410 | 274 | 141 | 1032 | 497 | 445 | 134 | 239 | 275 | 210 | 165 |
ЦСТ №3 | 490 | 332 | 170 | 1233 | 608 | 550 | 161 | 294 | 330 | 240 | 190 |
ЦСТ №4 | 490 | 380 | 188 | 1423 | 698 | 630 | 178 | 339 | 375 | 260 | 210 |
ЦСТ №5 | 635 | 425 | 188 | 1588 | 778 | 700 | 205 | 339 | 415 | 280 | 240 |
ЦСТ №6 | 675 | 450 | 249,5 | 1690 | 830 | 750 | 236 | 404 | 440 | 290 | 270 |
ЦСТ №7 | 740 | 490 | 268,5 | 1835 | 900 | 815 | 254 | 404 | 475 | 170 | 290 |
ЦСТ №8 | 820 | 539 | 292 | 2038 | 1001 | 905 | 276 | 404 | 525 | 330 | 310 |
ЦСТ №9 | 848 | 623 | 320 | 2241 | 1101 | 1000 | 302 | 545 | 575 | 490 | 330 |
ЦСТ №10 | 910 | 665 | 358 | 2405 | 1182 | 1070 | 338 | 585 | 615 | 530 | 370 |
Типоразмер | Размеры, мм | Кол-во.отв. | Масса, кг | |||||||
Н | Н1 | h | h1 | L | D | b | n | ЦСт-Э | ЦСт-П | |
ЦСТ №1 | 2094 | 1340 | 244 | 171 | 918 | 550 | 136 | 6 | 133 | 129 |
ЦСТ №2 | 2975 | 2025 | 354 | 226,5 | 1150 | 700 | 201 | 234 | 243 | |
ЦСТ №3 | 3505 | 2429 | 434 | 288,5 | 1305 | 800 | 246 | 8 | 328 | 340 |
ЦСТ №4 | 3993 | 2829 | 499 | 288,5 | 1503 | 870 | 282 | 423 | 438 | |
ЦСТ №5 | 4272 | 3108 | 559 | 342 | 1637 | 940 | 313 | 10 | 511 | 530 |
ЦСТ №6 | 4579 | 3275 | 594 | 337,5 | 1735 | 980 | 328 | 620 | 634 | |
ЦСТ №7 | 4907 | 3593 | 644 | 366,5 | 1893 | 1020 | 355 | 710 | 726 | |
ЦСТ №8 | 5471 | 4013 | 719 | 397,5 | 2096 | 1100 | 395 | 861 | 880 | |
ЦСТ №9 | 5944 | 4384 | 800 | 430,5 | 2273 | 1180 | 435 | 1125 | 1145 | |
ЦСТ №10 | 6334 | 4699 | 860 | 468,5 | 2440 | 1240 | 470 | 1285 | 1310 |
Условное обозначение
Пример обозначения при заказе
- ЦСТ-П-№1-Ш – Циклон сухой повышенной эффективности и производительности №1 с шиберным затвором