Вы здесь
Затвор шлюзовой ШУ
Затвор шлюзовой ШУ применяется для выпуска осаждаемого продукта из циклонов и фильтров пневматических установок, а также для предотвращения доступа в них атмосферного воздуха.
Затвор может применяться для выпуска сыпучих продуктов из бункеров, а также в качестве дозировщика и других аналогичных задач.
Шлюзовые затворы ШУ изготавливаются в климатическом исполнении «У» категории 1 по ГОСТ 15150. Температура окружающей среды от -40 °С до +40 °С
Варианты изготовления:
- общего назначения из углеродистой стали;
- коррозионностойкие из нержавеющей стали К.
Устройство и принцип работы
Затвор ШУ состоит из стального сварного корпуса цилиндрической формы и вращающегося в нем, на радиальных шариковых подшипниках, ротора. Ротор сварной конструкции из углеродистой стали с восьмью лопатками. Ротор устанавливается в корпус затвора с минимальным зазором. Привод шлюзового затвора состоит из электродвигателя и редуктора. Привод установлен на валу затвора. Для предотвращения излишнего подсоса воздуха на лопатки ротора установлены пластины из полиуретана со стороны цилиндрической части корпуса и торцовых крышек. Накладки имеют большой ресурс до замены, так как полиуретан материал колоссально износостойкий, с низким коэффициентом трения, эластичен и обладает высочайшей стойкостью к воздействию кислот, масел и бензина, а по отдельным физико-механическим свойствам превышает даже металл. Накладки на роторе имеют несколько регулировок, обеспечивая долгое время герметичность затвора. При увеличении зазора между корпусом и лопатками ротора или между лопатками ротора и крышкой достаточно лишь произвести соответствующие регулировки. Продукт непрерывным потоком поступает в верхнюю полость шлюзового затвора, откуда вращающимся ротором подаётся в нижнюю полость и далее по назначению.
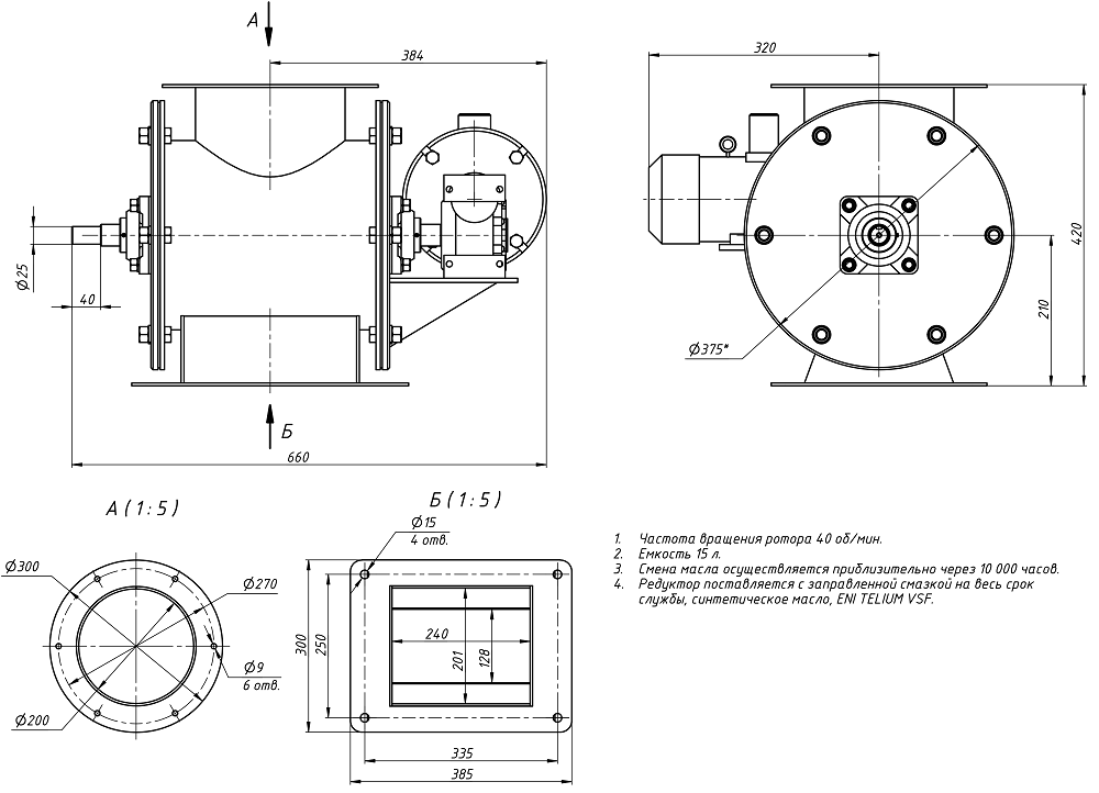
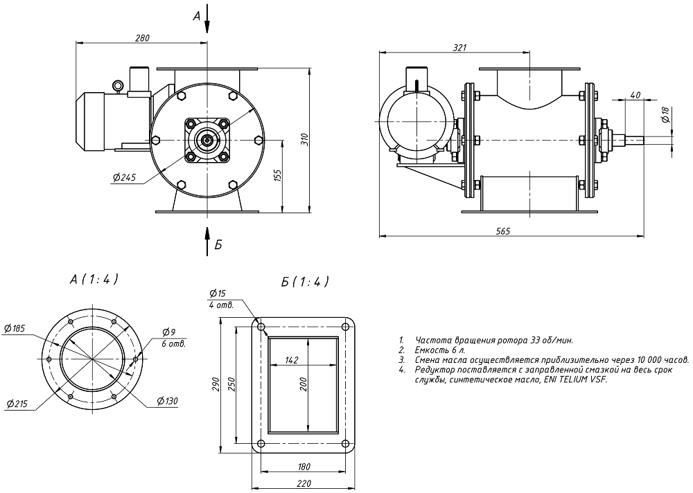
Габаритные размеры затвора
ШУ-6У с приводом
ШУ-15У с приводом
Технические характеристики затвора
Модель | ШУ-6У | ШУ-15У | ШУ-30У |
Емкость | 6 | 15 | 30 |
Производительность при 16 об/мин, л | 74,48 | 143 | 368 |
Скорость вращения ротора, об/мин | 30 | 36 | 30 |
Установленная мощность, кВт | 0,25 | 0,37 | 0,55 |
Электродвигатель напряжение, Вт | 380 | 380 | 380 |
Частота тока, Гц | 50 | 50 | 50 |
Габаритные размеры без привода, мм: | |||
длинна L | 485 | 573 | 658 |
ширина B | 245 | 375 | 450 |
высота H | 310 | 420 | 480 |