Вы здесь
Фильтр масляного тумана МАТ-518-3000
Масляный фильтр МАТ-518-3000 предназначен для трехэтапной очистки воздуха, загрязненного масляными эмульсиями, масляным туманом с температурой воспламенения не ниже 150°C, содержащим не более 5% масляной составляющей, а также механическими частицами размером от 0,3 мкм.
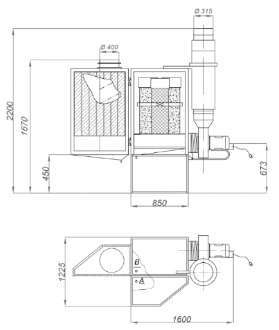
Загрязненный воздух сначала поступает в винтовой инерционный осадитель (первый этап очистки), где происходит первичная обработка. Затем частично очищенная воздушная смесь направляется в низкоскоростную камеру для осаждения влаги.
На втором этапе воздух дополнительно очищается в кассетах с полимерным фильтром объемной фильтрации, который улавливает оставшиеся примеси.
На завершающем, третьем этапе, воздух проходит через цилиндрический полимерный фильтр тонкой очистки, обеспечивая окончательное удаление загрязнений.
Габаритные размеры МАТ-518-3000
Технические характеристики МАТ-518-3000
Производительность по воздуху,м3/ч | 3000 |
Располагаемое давление,PA | 900 |
Степень очистки по твердой фазе размером более 0,3мкм,% | 99 |
Степень очистки жидкостей фазы масляного тумана,% | 99 |
Максимальная потребляемая мощность,кВт | 4 |
Напряжение сети,В | 380(220 под заказ) |