Вы здесь
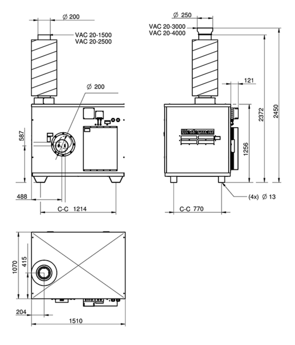
Высоковакуумная многоцелевая система VAC 20-3000-MAT
Высоковакуумная многоцелевая система VAC 20-3000-MAT предназначена для удаления сварочных дымов через сварочную горелку со встроенным отсосом воздуха или с помощью пристраиваемых насадок; удаления пыли от шлифовального инструмента, при дробеструйной, пескоструйной обработке. Подходит для чистки полов, оборудования.
Область применения:
- Удаление сварочных дымов через сварочную горелку со встроенным отсосом воздуха или с помощью пристраиваемых насадок.
- Удаление пыли от шлифовального инструмента, при дробеструйной, пескоструйной обработке.
- Чистка полов, оборудования.
Конструкция

Фильтрационные блоки: одинарный и двойной

Технические характеристики
| VAC 20-3000-MAT | |
| Максимальное разрежение, кПа | –22 |
| Производительность при –20 кПа, м³/ч | 3000 |
| Площадь фильтрующей поверхности, м² | 2х12 |
| Объём бункера-накопителя, л | 2х70 |
| Потребляемая мощность, кВт | 37 |
| Напряжение питания, В | 3х380 |
| Частота, Гц | 50 |
| Уровень шума (ISO 11201), Дб(А) | 68 |
| Масса, кг | 620 |
| Диаметр входного патрубка, мм | 200 |
| Диаметр выходного патрубка, мм | 250 |
| Стартер с PLC (заказывается отдельно) | PLC 6 |
Габаритные размеры




