Вы здесь
Механический передвижной фильтр МАТ-522-(Г)-1800
Передвижной механический фильтр МАТ-522-(Г)-1800 предназначен для очистки воздуха от сварочного аэрозоля, возникающего при сварке и ручной газовой резке металлов, а также для удаления мелкодисперсной сухой, невзрывоопасной и неслипающейся пыли, образующейся при порошковой окраске изделий, механической обработке металлических и пластиковых деталей.
Максимальная температура загрязненного воздуха, поступающего в фильтр, не должна превышать 600°C.
Область применения МАТ-522-(Г)-1800
- сварочные цеха;
- цеха механической обработки металла;
- цеха механической обработки пластмасс.
Благодаря фильтрующим элементам на основе бумажно-тканевого материала, устройство обеспечивает глубокую очистку воздуха от аэрозолей (включая сварочный) и мелкодисперсной сухой пыли, выделяющейся в различных производственных процессах.
Воздухозаборное устройство позволяет максимально приблизить воронку к источнику вредных выбросов. Фильтр предназначен для очистки воздуха от сварочного аэрозоля, образующегося при сварке и газовой резке, а также от мелкодисперсной сухой, невзрывоопасной и неслипающейся пыли, возникающей при порошковой окраске и механической обработке металлических и пластиковых изделий.
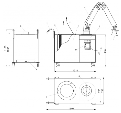
Конструкция фильтра МАТ-522-(Г)-1800 включает корпус с самофиксирующимся воздухозаборным устройством (расположенным в верхней части), колесами и ручками для удобного перемещения по полу. Внутри корпуса находится блок с предфильтром, искрогасителем и четырьмя картриджными фильтрующими элементами.
Фильтр оснащен вентилятором, пусковой аппаратурой, кабелем питания длиной 5 метров и разъемом для подключения к электросети.
Устройство выпускается с воздуховытяжным устройством диаметром 160 мм в следующих модификациях:
- МАТ-522-(Г)-1800 с радиусом обслуживания (Rобсл.) = 2,0 м;
- МАТ-522-(Г)-1800 с радиусом обслуживания (Rобсл.) = 3,2 м.
Дополнительные опции для фильтра:
- угольная кассета для доочистки газообразной фазы сварочного аэрозоля.
Габаритные размеры МАТ-522-(Г)-1800
Технические характеристики МАТ-522-(Г)-1800
Наименование показателей | Марка агрегата | ||
МАТ-522-(Г)-1800 | МАТ-522-(Г)-1800У | ||
Расход воздуха, м3/ч | 1800 | ||
Степень очистки,% | 98 | ||
Кол-во обслуживаемых постов, шт. | 1 | ||
Радиус поворота воздухоприёмного устройства, м | 2 | 3,2 | |
Диаметр вытяжного устройства, мм | 200 | ||
Угол поворота воздухоприёмного устройства, град. | 360 | ||
Кол-во фильтрующих элементов | 1 | ||
Площадь фильтрующей поверхности, м2 | 30 | ||
Характеристика электродвигателя вентилятора | N,кВт | 1,5 | 1,5 |
U,в | 220/380 | 220/380 |