Вы здесь
Фильтр МАТ-516-1200-1
Стационарные механические фильтры МАТ-516-1200-1 предназначены для очистки воздуха от сварочного аэрозоля, образующегося при сварке и ручной газовой резке металлов, а также от мелкодисперсной (размер частиц ≥ 0,3 мкм) сухой, невзрывоопасной и неслипающейся пыли, которая может выделяться при порошковой окраске изделий, механической обработке металла и пластмасс.
Основные параметры:
- Максимальная температура загрязненного воздуха не должна превышать 60°C.
Область применения МАТ-516-1200-1
- Сварочные цеха.
- Цеха механической обработки металла.
- Цеха механической обработки пластмасс.
Конструкция фильтра:
- Фильтр состоит из корпуса с входным патрубком и оснащен ножками для установки на пол или проушинами для крепления к стене (в зависимости от исполнения).
- Внутри корпуса, по ходу воздушного потока, установлен отбойник, который предотвращает попадание крупных частиц, окалины и искр на основной фильтрующий элемент картриджного типа.
- Внутри фильтрующего элемента расположена система регенерации, привод которой находится на крышке фильтра.
- Электродвигатель системы регенерации включается автоматически через 50-60 секунд после выключения вентилятора.
Комплектация фильтра:
-
Фильтр оснащен вентилятором, пусковой аппаратурой, кабелем питания длиной 5 метров и разъемом для подключения к электросети.
Дополнительные возможности:
-
Фильтр может быть оснащен угольной кассетой для дополнительной очистки газообразной фазы сварочного аэрозоля.
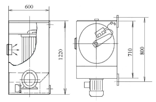
Габаритные размеры МАТ-516-1200-1

Технические характеристики МАТ-516-1200-1
| Наименование показателей | МАТ-516-1200-1 | |
| Расход воздуха, м3/ч | 1200 | |
| Степень очистки, % | 98 | |
| Количество фильтрующих элементов, шт. | 1 | |
| Площадь фильтрующей поверхности, м2 | 19,5 | |
| Количество воздухоприёмных устройств, шт. | 1 | |
| Диаметр воздухоприёмного устройства, мм | 160 | |
| Радиус обслуживания воздухоприёмного устройства, м | 2 | 3,2 |
| Потребляемая мощность, кВт | 1,5 | |
| Напряжение электросети, В | 380 | |
| Масса, кг | 190 | 200 |



