Вы здесь
Стационарные механические фильтры ФМС-1800
Фильтры механической очистки ФМС-1800 (с индексом "С") агрегированы вентилятором и снабжены системой механической очистки, включающей высокооборотный электродвигатель, соединённый с лопаточным механизмом, который размещён внутри фильтрующего элемента.
Данная модель устройства для пылеочистки имеет производительность до 1800 м3/ч и степень очистки 98%.
Выпускаемые модификации фильтров ФМС
- ФМС - без воздуховытяжных устройств;
- ФМС-хххх-1 (или 2) - с воздуховытяжными устройствами.
В корпус агрегата может дополнительно устанавливаться кассета для очистки воздуха от газообразной фазы сварочного эарозоля (с индексом "К").
Благодаря фильтрующему элементу на бумажно-тканевой основе позволяет осуществить полномасштабную очистку воздуха от аэрозолей (в том числе сварочного) и мелкодисперсной сухой неслипающейся пыли, выделяющейся при различных производственных процессах.
Запатентованная система регенерации фильтрующего элемента позволяет производить эффективную регенерацию фильтрующего элемента, без использования сжатого воздуха, работает от электросети.
Фильтр оснащен самофиксирующимся в пространстве воздухоприёмным устройством.
Фильтры предназначены для очистки воздуха от сварочного аэрозоля, образующегося при сварке, ручной газовой резке металлов, а также для очистки от мелкодисперсной (размеры частиц ≥0,3мкм) сухой, невзрывоопасной, неслипающейся пыли, образующейся при порошковой окраске изделий, механической обработке изделий из металла и пластмасс.
Максимальная температура загрязненного воздуха не должна превышать 60ºС.
Применение фильтров ФМС-1800
- сварочные цеха
- цеха механической обработки металла
- цеха механической обработки пластмасс
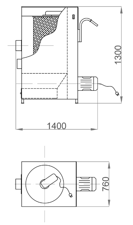
Фильтр состоит из корпуса с входным патрубком, снабжен ножками для установки на пол или проушинами для крепления к стене (в зависимости от исполнения). На корпусе закреплено воздухоприёмное устройство. Внутри корпуса по ходу воздушного потока установлен отбойник, для предотвращения попадания крупных частиц, окалины и искр на основной фильтрующий элемент картриджного типа. Внутри фильтрующего элемента расположена система регенерации, а её привод на крышке фильтрующего элемента. Включение электродвигателя системы регенерации осуществляется автоматически через (50-60) сек. после включения вентилятора.
Технические характеристики фильтров ФМС-1800
| Наименование показателей | ФМС-1800 |
| Расход воздуха, м3/ч | 1800 |
| Располагаемое давление, Па | 1200 |
| Степень очистки, % | 98 |
| Количество фильтрующих элементов, шт. | 1 |
| Площадь фильтрующей поверхности, м2 | 30 |
| Потребляемая мощность, кВт | 1,5 |
| Напряжение электросети, В | 380 |
| Масса, кг | 100 |




