Вы здесь
Стационарные фильтры ФМВ 2000-2
Стационарные фильтры ФМВ 2000-2 предназначены для очистки воздуха от сварочного аэрозоля, образующегося при сварке, ручной газовой резке металлов, а также для очистки от мелкодисперсной сухой невзрывоопасной, неслипающейся пыли, образующейся при порошковой окраске изделий, механической обработке изделий из металла и пластмасс.
Фильтрующим элементом в данной модели установки являются картриджные фильтры на бумажно-тканевой основе.
Модификации фильтров ФМВ-2000-2
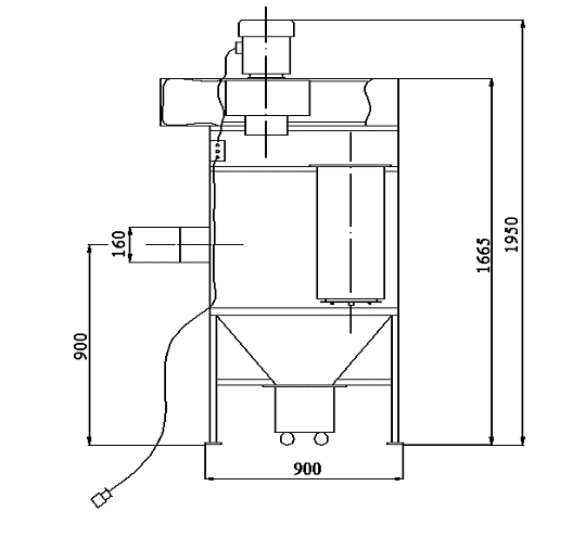
Фильтры выпускаются с 2-мя воздуховытяжными устройствами, каждое d=160 мм в следующих модификациях:
- ФМВ-2000-2 с 2-мя устройствами Rобсл. =2,0 м
- ФМВ-2000-2 У с 2-мя устройствами Rобсл.=3,2 м
- ФМВ-2000-2 УМ с 2-мя устройствами Rобсл.=4 м
Дополнительно фильтр может быть оснащен: - угольной кассетой для доочистки газообразной фазы сварочного аэрозоля.
Конструкция фильтра ФМВ-2000-2
- 2 самофиксирующихся в пространстве воздухоприёмных устройства;
- корпус, внутри которого по ходу воздушного потока установлен отбойник, для предотвращения попадания крупных частиц, окалины и искр;
- 2 фильтрующих элемента картриджного типа;
- 2 воздуховытяжных устройства, закреплённых на корпусе;
- в верхней части корпус имеет подъемную полую крышку, в которой установлен вентилятор с системой шумоглушения;
- пусковая аппаратура;
- кабель длиной 5 м;
- разъём для подключения к электросети.
Применение фильтра ФМВ-2000-2
- сварочные цеха
- цеха механической обработки изделий из металла
- цеха механической переработки пластмасс
- участки порошковой окраски.

Технические характеристики фильтров ФМВ-2000- 2
| Наименование показателей | Марка агрегата | |
| ФМВ-2000 | ||
| Расход воздуха, м3/ч | 2000 | |
| Степень очистки,% | 98 | |
| Кол-во обслуживаемых постов, шт. | 2 | |
| Радиус обслуживания каждого вытяжного устройства, м | 2 | |
| Угол поворота каждого вытяжного устройства, град. | 180 | |
| Кол-во фильтрующих элементов | 2 | |
| Площадь фильтрующей поверхности, м2 | 38 | |
| Характеристика электродвигателя вентилятора | N,кВт | 3 |
| U,в | 380 | |



