Вы здесь
Стационарные механические фильтры ФМС-1200-1
Благодаря фильтрующему элементу на бумажно-тканевой основе позволяет осуществить полномасштабную очистку воздуха от аэрозолей (в том числе сварочного) и мелкодисперсной сухой неслипающейся пыли, выделяющейся при различных производственных процессах.
Запатентованная система регенерации фильтрующего элемента позволяет производить эффективную регенерацию фильтрующего элемента, без использования сжатого воздуха, работает от электросети.
Фильтры предназначены для очистки воздуха от сварочного аэрозоля, образующегося при сварке, ручной газовой резке металлов, а также для очистки от мелкодисперсной (размеры частиц ≥0,3мкм) сухой, невзрывоопасной, неслипающейся пыли, образующейся при порошковой окраске изделий, механической обработке изделий из металла и пластмасс.
Максимальная температура загрязненного воздуха не должна превышать 60ºС.
Применение:
- сварочные цеха
- цеха механической обработки металла
- цеха механической обработки пластмасс
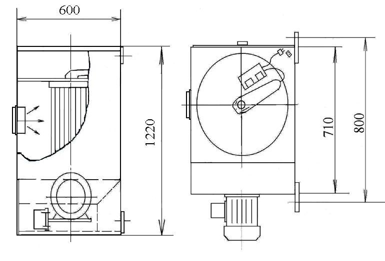
Фильтр состоит из корпуса с входным патрубком, снабжен ножками для установки на пол или проушинами для крепления к стене (в зависимости от исполнения). Внутри корпуса по ходу воздушного потока установлен отбойник, для предотвращения попадания крупных частиц, окалины и искр на основной фильтрующий элемент картриджного типа. Внутри фильтрующего элемента расположена система регенерации, а её привод на крышке фильтрующего элемента. Включение электродвигателя системы регенерации осуществляется автоматически через (50-60) сек. после включения вентилятора.
Фильтр снабжен вентилятором и пусковой аппаратурой, кабелем питания длиной 5м, разъёмом для подключения к электросети.
Фильтр ФМС-1200-1 выпускается в двух исполнениях:
- напольное
- настенное
Фильтры выпускаются с воздуховытяжным устройством d=160мм в следующих модификациях :
- ФМС-1200-1 с устройством Rобсл. =2,0м
- ФМС-1200-1 У с устройством Rобсл.=3,2м
- ФМС-1200-1 УМ с устройством Rобсл.=4м
Дополнительно фильтр может быть оснащен:
- угольной кассетой для доочистки газообразной фазы сварочного аэрозоля.
Технические характеристики

|
Наименование показателей |
ФМС-1200-1 |
ФМС-1200-1У |
|
|
Расход воздуха, м 3 /ч |
1200 |
||
|
Степень очистки, % |
98 |
||
|
Количество фильтрующих элементов, шт. |
1 |
||
|
Площадь фильтрующей поверхности, м 2 |
19,5 |
||
|
Количество воздухоприёмных устройств, шт. |
1 |
||
|
Диаметр воздухоприёмного устройства, мм |
160 |
||
|
Радиус обслуживания воздухоприёмного устройства, м |
2 |
3,2 |
|
|
Потребляемая мощность, кВт |
1,5 |
||
|
Напряжение электросети, В |
380 |
||
|
Масса, кг |
68 |
74 |
|



