Катушки КДУ(В) 

Устройство, предназначенно для удаления выхлопных газов от двигателей внутреннего сгорания автомобилей, генераторов и т.д.

Устанавливаются в закрытых помещениях: гаражах, депо, ремонтных мастерских, станциях технического обслуживания и т.д

При подборе устройства удаления выхлопных газов, минимальное соотношение удаляемых газов и побочного воздуха 50/50.

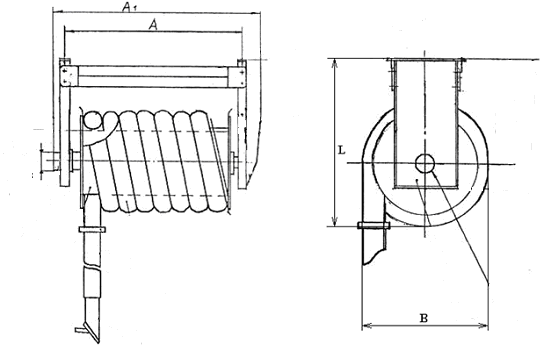
Выполнена в виде полого барабана с намотанным на него шлангом, снабженным газоприемной насадкой, легко закрепляемой на выхлопной трубе автомобиля.

Шланг может быть комбинированным, различной термостойкости. Насадка может быть выполнена цилиндрической или овальной формы.

Вращение барабана для сматывания (наматывания) шланга осуществляется при помощи мотор-редуктора, управляемого с помощью висящего на проводе пульта.

Система управления может быть снабжена блоком радиоуправления с дистационным пультом-брелоком. Катушка может быть агрегатирована с вентилятором (модификация с индексом «В»).

При проектировании систем удаления выхлопных газов рекомендуем подбирать радиальные вентиляторы среднего давления.

Воздуховытяжное устройство КДУ может иметь 3 вида воздуховода:

  • 1)воздуховод повышенной термостойкости (термостойкость 150ºС)
  • 2)воздуховод ПВХ(термостойкостью до 70оС)
  • 3)комбинированный

Устройство КДУ может устанавливаться на поворотную консоль длиной 3м.

Устройство может комплектоваться неопреновой(резиновой насадкой).

Технические характеристики

КДУ(В)

КДУ(В)

Дополнительное оборудование

«Схема автоматического включения и выключения вентилятора при использовании от 3 до 6 устройств типа КДУ»

КДУ(В)

Электродвигатель вентилятора 1 работает от сети ~ 380В 50Гц и включается через магнитный пускатель с тепловой защитой(подбираются по мощности электродвигателя) и установленного в блок управления «БУС» 2. Магнитный пускатель включается от сети ~220В. На одну из клемм включения магнитного пускателя постоянно подключен фазовый провод, а на вторую клемму для включения вентилятора подключается «нейтраль» с каждого устройства «КДУ» - 3 при нажатии соответствующей кнопки на проводном пульте 5 или радиопульте 4. При подачи «нейтрали» на магнитный пускатель сигнализирует световой индикатор, имеющейся на каждом устройстве «КДУ» 3. Для выключения вентилятора нажимается соответствующая кнопка на пультах на всех устройствах «КДУ» при этом должны погаснуть световые индикаторы включения вентилятора.

Назад к списку