Вы здесь

Вытяжные столы Марс-3 

  • Производительность до 2000 м3/ч,
  • Степень очистки до 98 %
  • Радиус обслуживания до 4м

Стол позволяет оптимизировать работу сварщика. Благодаря самофиксирующимуся воздухоприёмному устройству сварочные работы можно проводит как на столе, так и рядом с ним.

Фильтрующий элемент на бумажно-тканевой основе позволяет осуществить полномасштабную очистку воздуха от сварочного аэрозоля и абразивной сухой неслипающейся пыли с последующей рециркуляцией его в помещение.

Стол сварщика предназначен для удаления и очистки вредных веществ (сварочного аэрозоля) из зоны дыхания сварщика, позволяя соблюдать санитарные требования к качеству воздушной среды в рабочей зоне.

Применение:

  • сварочные цеха
  • цеха сухой заточки, шлифовки

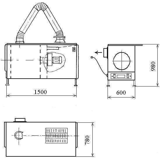
Стол сварщика «Марс-3» состоит из корпуса, в котором расположен вентилятор, фильтрующий элемент на бумажно-тканевой основе, система автоматической регенерации фильтрующего элемента(не требующая подвода сжатого воздуха), столешницы с рабочей поверхностью из чугунных колосников и вытяжного устройства, расположенного на столешнице. Воздух удаляется одновременно через воздухоприёмное устройство и через колосники рабочей поверхности, очищается, проходя через фильтрующий элемент на бумажно-тканевой основе. После очистки, воздух раздается вверх через щелевой воздухораспределитель вдоль тыльной стороны стола.

После каждого выключения стола, с задержкой в 50-60 секунд срабатывает механизм регенерации фильтрующего элемента. Процесс регенерации длится в течение 8-12 секунд, после чего автоматически выключается.

Столы выпускаются с воздуховытяжным устройством d=160мм в следующих модификациях:

  • «Марс-3» с устройством Rобсл. =2,0м
  • «Марс-3У» с устройством Rобсл.=3,2м
  • «Марс-3УМ» с устройством Rобсл.=4м

Дополнительно стол «Марс-3» может быть оснащен:

  • защитным экраном с откидными боковинами,
  • подсветкой в воронке воздухоприёмного устройства,
  • угольной кассетой для доочистки газообразной фазы сварочного аэрозоля.

Технические характеристики

вытяжной стол Марс-2

Наименование показателей Марс-3
Расход воздуха, м3/ч 2000
Радиус обслуживания вытяжного устройства, м 2
Степень очистки, % 98
Количество фильтрующих элементов, шт. 1
Площадь фильтрующей поверхности, м2 19,5
Потребляемая мощность, кВт 1,5
Напряжение электросети, В 380
Масса, кг 165
Назад к списку