Вы здесь

Настольное вытяжное устройство DELI-Flex 

Настольное вытяжное устройство DELI-Flex предназначено для удаления загрязнённого воздуха, содержащего пыль, газы и аэрозоли, образующиеся при пайке. Оно создаёт безопасные условия труда на стационарных рабочих местах в различных отраслях, включая:

  • радиоэлектронную промышленность;
  • химическую и фармацевтическую промышленность;
  • художественные и реставрационные мастерские.

Преимущества и особенности

  • Гибкий и удобный воздуховод. Устройство оснащено спирально-навивным полимерным воздуховодом, который легко изгибается и фиксируется в нужном положении.
  • Эффективный захват загрязнений. Воздухоприёмная воронка цилиндрической рожковой формы позволяет улавливать загрязнённый воздух непосредственно у источника его образования.
  • Регулируемый расход воздуха. Встроенная заслонка, расположенная в воздуховоде, позволяет легко контролировать объем удаляемого воздуха.
  • Простота установки. Для крепления устройства на рабочем столе используется кронштейн, который надёжно фиксируется с помощью струбцин на горизонтальной поверхности.

Конструкция DELI-Flex

  1. воронка приёмная
  2. спиральный воздуховод
  3. опора
  4. винт М6х60
  5. патрубок соединительный
  6. кольцо резиновое уплотнительное
  7. ручка заслонки
  8. кронштейн
  9. струбцина

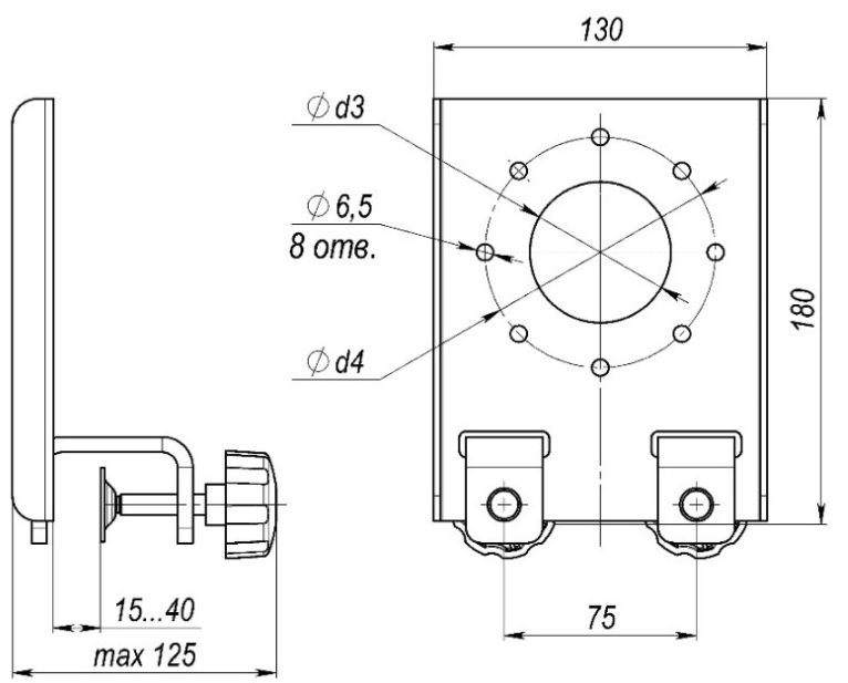
Габаритные размеры DELI-Flex

Технические характеристики DELI-Flex

Наименование параметра или характеристики
Значение параметра
Модель
DELI-50-Flex
DELI-75-Flex
Код (для заказа)
5003
5004
Внутренний диаметр воздуховода, мм
50
75
Диаметр воздуховода подключаемой вытяжной системы, мм
75
Угол поворота воздуховода
360°
Максимальный радиус рабочей зоны, м
0,7
Объём удаляемых вредных веществ непосредственно от источника выделения, %
до 75
Рекомендуемый расход воздуха, м3
при пайке
50–75
125–200
при прочих 50–110 125–300
Масса, кг
1,7
2,0

График потери давления DELI-Flex

Зона охвата DELI-Flex

Назад к списку