Вы здесь
Устройство МАТ-507
Устройство МАТ-507 предназначено для удаления выхлопных газов, выделяемых двигателями внутреннего сгорания автомобилей, генераторов и других аналогичных источников.
Данное оборудование устанавливается в закрытых помещениях, таких как гаражи, депо, ремонтные мастерские, станции технического обслуживания и других подобных объектах.
При выборе устройства для удаления выхлопных газов рекомендуется соблюдать минимальное соотношение удаляемых газов и подмешиваемого воздуха — 50/50.
Конструкция устройства представляет собой полый барабан, на который намотан шланг, оснащенный насадкой для подключения к выхлопной трубе автомобиля. Насадка легко фиксируется на трубе.
Особенности МАТ-507
- Шланг может быть комбинированным и иметь различную термостойкость.
- Насадка может быть выполнена в цилиндрической или овальной форме.
- Вращение барабана для сматывания или наматывания шланга осуществляется с помощью мотор-редуктора, управляемого проводным пультом.
- Система управления также оснащена блоком радиоуправления с дистанционным пультом-брелоком.
- Устройство может быть агрегатировано вентилятором (модификация с индексом «В»).
- При проектировании систем удаления выхлопных газов рекомендуется использовать радиальные вентиляторы среднего давления.
Воздуховод устройства МАТ-507 может быть выполнен в трех вариантах:
- Воздуховод повышенной термостойкости (выдерживает температуру до 150°C).
- Воздуховод из ПВХ (термостойкость до 70°C).
- Комбинированный воздуховод.
Устройство может быть установлено на поворотную консоль длиной 3 метра. Дополнительно оно может комплектоваться неопреновой (резиновой) насадкой.
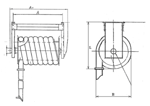
Габаритные размеры МАТ-507
Технические характеристики МАТ-507
Наименование показателей | Модель устройства | |||||||||
МАТ-507 | ||||||||||
Диаметр воздуховода (шланга), мм | 100 | 125 | 150 | |||||||
Расход воздуха, м3/ч | 400 | 600 | 900 | |||||||
Характеристика гибкого воздуховода | L, м | 8 | 10 | 12 | 8 | 10 | 12 | 8 | 10 | 12 |
Характеристика эл. двигателя | Мощность, кВт | - | ||||||||
Напряжение, В | - | |||||||||
Сопротивление, Па | 900 | |||||||||
Характеристики мотор-редуктора | Мощность, кВт | 0.12 | ||||||||
Напряжение, В | 220 | |||||||||
Габаритные размеры | А (крепежный размер | 819 | 928 | 1068 | 926 | 1090 | 1254 | 991 | 1186 | 1366 |
А1 (длина) | 904 | 1013 | 1153 | 1010 | 1175 | 1340 | 1076 | 1271 | 1451 | |
В (ширина) | 800 | 800 | 800 | 850 | 850 | 850 | 900 | 900 | 900 | |
L (высота) | 1050 | 1050 | 1050 | 1100 | 1100 | 1100 | 1150 | 1150 | 1150 | |
Масса, кг | 70 | 71 | 72 |
Наименование показателей | Модель устройства | |||||||||
МАТ-507 В | ||||||||||
Диаметр воздуховода (шланга), мм | 100 | 125 | 150 | |||||||
Расход воздуха, м3/ч | 400 | 600 | 900 | |||||||
Характеристика гибкого воздуховода | L, м | 8 | 10 | 12 | 8 | 10 | 12 | 8 | 10 | 12 |
Характеристика эл. двигателя | Мощность, кВт | 1.1 | ||||||||
Напряжение, В | 220 | |||||||||
Сопротивление, Па | - | |||||||||
Характеристики мотор-редуктора | Мощность, кВт | 0.12 | ||||||||
Напряжение, В | 220 | |||||||||
Габаритные размеры | А (крепежный размер | 819 | 928 | 1068 | 926 | 1090 | 1254 | 991 | 1186 | 1366 |
А1 (длина) | 1325 | 1430 | 1570 | 1427 | 1590 | 1755 | 1492 | 1687 | 1867 | |
В (ширина) | 800 | 800 | 800 | 850 | 850 | 850 | 900 | 900 | 900 | |
L (высота) | 1050 | 1050 | 1050 | 1100 | 1100 | 1100 | 1150 | 1150 | 1150 | |
Масса, кг | 95 | 96 | 97 |