Вы здесь
Вытяжное устройство МАТ-503 100НУ
Вытяжное устройство МАТ-503 100НУ предназначено для очистки воздуха в рабочей зоне от вредных веществ, образующихся в ходе производственных процессов с незначительным выделением таких веществ.
Конструкция устройства обеспечивает возможность максимально приблизить воронку к источнику загрязнения, что позволяет достичь высокой эффективности улавливания вредных примесей.
Устройство включает воронку и два жестких воздуховода, соединенных шарнирно. Фиксация осуществляется с помощью шарниров и фрикционных механизмов.
Модель с диаметром воздуховодов 100 мм и воронки 150 мм рассчитана на воздушный поток объемом 150-200 м³/ч.
Особенности МАТ-503 100НУ
- В комплекте предусмотрен кронштейн для крепления к стене, колонне или металлоконструкциям цеха.
- Рекомендуемая высота установки — 40-50 см над рабочей поверхностью.
- Устройство имеет верхнее подключение (под опорой).
- Для подключения к вентиляционной системе, вентилятору или фильтру в комплект входит гибкий воздуховод (гофрированный шланг) диаметром 100 мм и длиной 0,5 м.
- Оснащено заслонкой для регулировки воздушного потока.
- При выполнении пайки или точечной сварки рекомендуется использовать устройство в комплекте с фильтрами ФПА.
- Радиус обслуживания до 1,5м, диаметром 100мм
Дополнительные опции
- Возможна комплектация рожковой воронкой.
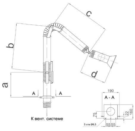
Габаритные размеры МАТ-503 100НУ

Технические характеристики МАТ-503 100НУ
| Наименование показателей | МАТ-503 100НУ |
| Расход воздуха, м3/ч | 150-200 |
| воздуховодов, мм | 100 |
| воронки, мм | 150 |
| Угол поворота устройства вокруг оси, градусы | 360 |
| Угол поворота устройства воронки, градусы | 130 |
| Rобсл., мм | 1500 |
| Длина а, мм | 350 |
| Длина b, мм | 640 |
| Длина с, мм | 630 |
| Длина d, мм | 300 |
| Масса, кг | 5,4 |
Аэродинамические характеристики МАТ-503 100НУ




