Вы здесь
Золоуловитель ЗУ-1
Золоуловители ЗУ-1 использован одновременно и как сепаратор системы возврата частиц уноса на дожигание, но только при условии размещения непосредственно за котлом.
В этом случае золоспускное отверстие бункера-осадителя подключается через клапаны размыкатели к эжекторам или другим пылепитающим устройствам.
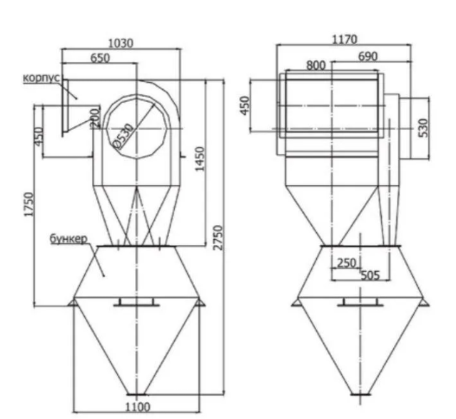
Золоуловитель ЗУ-1 представляет собой корпус с криволинейными стенками, соединённый с источником выброса дымовых газов фланцем прямоугольного сечения на входном отверстии и круглым отверстием на боковой стенке для отвода очищенного газа.
На золоуловителе ЗУ-1 боковые выходные отверстия вырезают с одной стороны (слева или справа).
Внизу корпуса имеется бункер с шибером.
Золоуловитель ЗУ-1 относится к типу горизонтальных циклонов по расположению оси очищаемого потока газа.
Габаритные размеры золоуловителя ЗУ-1
Технические характеристики золоуловителя ЗУ-1
Наименование | Значение |
Номинальная производительность, м3/ч | 8000 |
Коэффициент очистки, % | 80 |
Номинальная температура газа на входе, С | 250 |
Номинальное аэродинамическое сопротивление, мм.вод.ст. | 70 |
Сечение входного отверстия, мм | 450х800 |
Сечение выходного отверстия, мм | диам.490 |
Длина, мм | 1030 |
Ширина, мм | 1300 |
Высота, мм | 2720 |
Направление газового потока | правое |
Масса золоуловителя (циклона), кг | 370 |
Срок изготовления | 10 |