Вы здесь
Золоуловитель ЗУ 2-2
Золоуловитель ЗУ 2-2 может быть использован одновременно и как сепаратор системы возврата частиц уноса на дожигание, но только при условии размещения непосредственно за котлом.
В этом случае золоспускное отверстие бункера-осадителя подключается через клапаны размыкатели к эжекторам или другим пылепитающим устройствам.
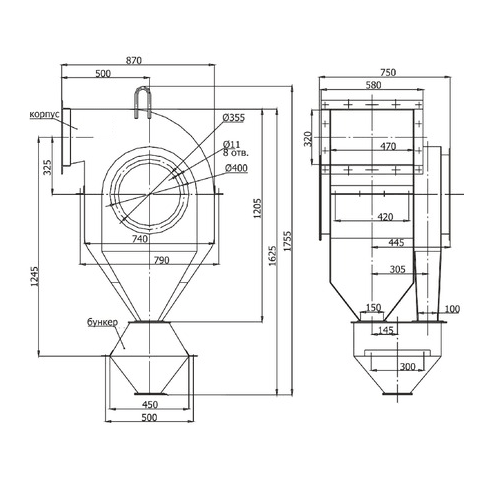
Золоуловитель состоит из корпуса с криволинейными стенками, соединённого с источником выброса дымовых газов фланцем прямоугольного сечения на входном отверстии, круглым отверстием на боковой стенке для отвода очищеного газа, трёх бункеров-осадителей, бункера-накопителя с шибером.
Для осмотра и чистки золоуловителя используется лаз.
При замене диафрагмы лаза на тонкий лист железа на асбестовом картоне и на стальной сетке лаз будет выполнять функцию взрывного клапана.
Присоединение золоуловителя должно быть газоплотным с обязательным уплотнением асбестовым картоном или шнуром. Золоуловитель ЗУ 2-2 является зеркальным отражением золоуловителя ЗУ 2-1.
Корпус золоуловителя и бункер-накопитель опирается на опорные пояса.
Габаритные размеры золоуловителя ЗУ 2-2
Технические характеристики золоуловителя ЗУ 2-2
Наименование | Значение |
Номинальная производительность, м3/ч | 1200 |
Коэффициент очистки, % | 80 |
Номинальная температура газа на входе, С | 250 |
Номинальное аэродинамическое сопротивление, мм.вод.ст. | 70 |
Сечение входного отверстия, мм | 240х470 |
Сечение выходного отверстия, мм | диам.335 |
Длина, мм | 870 |
Ширина, мм | 750 |
Высота, мм | 1625 |
Направление газового потока | левое |
Масса золоуловителя (циклона), кг | 130 |
Срок изготовления | 10 |