Вы здесь

Регулирующий клапан непрямого действия Hydac VP-DRP10 

Регулирующий клапан непрямого действия Hydac VP-DRP10 предназначен для установки на панель для регулирования постоянного выходного давления в потребителе.

Он поставляется с различными ступенями давления:

  • Qмакс. = 110 л/мин 
  • Pмакс. = 250 бар.

Особенности регулирующего клапана непрямого действия Hydac VP-DRP10

  • Отверстие по ISO 5781-08, номинальный размер 10;
  • Пилотный редукционный клапан давления;
  • Низкие потери потока при максимальном размере отверстия;
  • Свободный поток в обратном направлении осуществляется встроенным обратным клапаном (давление 0,5 бар).

Модельный ряд регулирующего клапана непрямого действия Hydac VP-DRP10

  • VP-DRP6 090VR S01/N 3497267;
  • VP-DRP6 330VR S01/N 3497268;
  • VP-DRP6 500VR S01/N 3497269.

Гидравлическая схема регулирующего клапана непрямого действия Hydac VP-DRP10


 

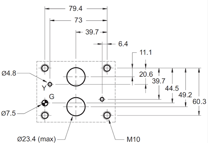
Шаблон отверстий регулирующего клапана непрямого действия Hydac VP-DRP10

Назад к списку