Вы здесь
Клапан электромагнитный Н.З. SMART HX5571F
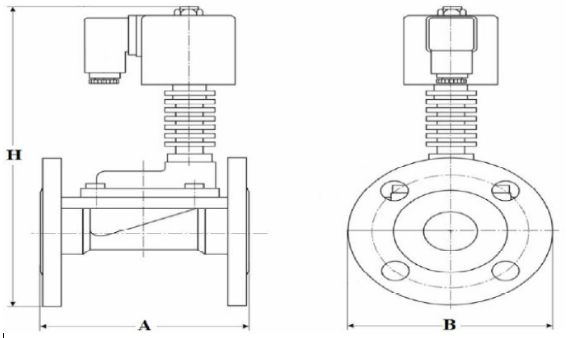
Поршневые нормально-закрытые электромагнитные клапаны SMART HX5571F используют для воды, пара, агрессивных жидкостей и газов,с давлением от 0,5 до 16 бар. Фланцевое присоединение.
В конструкции применяется специальный радиатор, для охлаждения катушки.
Технические характеристики
- Исполниение НЗ - Нормально-Закрытые;
- Нержавеющая сталь SS304;
- Диаметры DN 25-50;
- Фланцевое присоединение по ГОСТ;
- PTFE (Политетрафторэтилен) - вода, пар, агрессивные жидкости и газы от -20 до +250 ºС;
- Напряжение переменного тока: AC 220V или постоянного тока: DC 24V;
- Степень защиты: IP65.


| Артикул | DN | Соеди-нение | Kv, м 3 /ч при 1 бар | PN, бар | ∆P, бар | Уплот- нение | Серия катушки |
| HX55715F | 25 | фланцевый | 13,92 | 16 | 0,5-16 | PTFE | ER |
| HX55716F | 32 | фланцевый | 25,52 | 16 | 0,5-16 | PTFE | ER |
| HX55717F | 40 | фланцевый | 34,80 | 16 | 0,5-16 | PTFE | ER |
| HX55718F | 50 | фланцевый | 55,68 | 16 | 0,5-16 | PTFE | ER |
Клапаны комплектуются электромагнитными катушками на Ваш выбор: AC220V, DC24V
Назад к списку



