Вы здесь
Регулирующий клапан RV102 и RV103
Регулирующие клапаны RV102 и RV103 разработаны для регулированиярасхода и давленияжидкостей, газов и паров без абразивных примесей, например:
- воды;
- пара низкого давления(применение только RV 102);
- воздуха;
- других сред совместимых с материалами внутренних частей клапана.
Средняя кислотность и щелочность среды не должны превышать диапазон значения pH от 4.5 до 9.5.
RV 102: двух-или трехходовые клапаны с резьбовым присоединением (материал корпуса клапана - бронза).
RV 103: двух- или трехходовые клапаны с фланцевым присоединением. (материал корпуса клапана - серый чугун).
Клапаны выпускаютсяв следующих исполнениях:
- трехходовой регулирующий клапан;
- двухходовой, реверсивный, регулирующий клапан;
- двухходовой угловой регулирующий клапан.
Клапаны RV 102 и RV 103 управляются ручным маховиком или электромеханическими приводами:
- Siemens (Landis & Staefa);
- Johnson Controls;
- Honeywell, Belimo;
- Ekorex+ and ZPA Nov Paka.
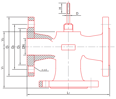
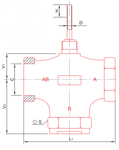
Габаритные размеры регулирующего клапана
RV102
Dn | C | L1 | V1 | V2 | H | D | S | Вес, кг |
15 | 1/2" | 85 | 43 | 25 | 10 | M8 x 1 | 27 | 0.55 |
20 | 3/4" | 95 | 48 | 25 | 32 | 0.65 | ||
25 | 1" | 105 | 53 | 25 | 41 | 0.80 | ||
32 | 1 1/4" | 120 | 66 | 35 | 16 | 50 | 1.40 | |
40 | 1 1/2" | 130 | 70 | 35 | 58 | 2.00 | ||
50 | 2" | 150 | 80 | 42 | 70 | 2.95 |
RV103
Dn | L1 | V1 | V2 | D1 | D2 | D3 | n x d | H | D | Вес, кг |
15 | 130 | 65 | 25 | 95 | 65 | 45 | x 14 | 10 | M8 x 1 | 3,2 |
20 | 150 | 75 | 25 | 105 | 75 | 58 | 4,3 | |||
25 | 160 | 80 | 25 | 115 | 85 | 68 | 5,5 | |||
32 | 180 | 90 | 35 | 140 | 100 | 78 | x 18 | 16 | 7,7 | |
40 | 200 | 100 | 35 | 150 | 110 | 88 | 8,5 | |||
50 | 230 | 115 | 42 | 165 | 125 | 102 | 11,9 |
Технические характеристики регулирующего клапана RV102 и RV103
Серия | RV102 | RV103 |
Исполнение клапана | Трехходовой регулирующий клапан Двухходовой регулирующий клапан, реверсивный | |
Номинальные диаметры | Dn15 - Dn50 | |
Номинальное давление | PN16 | |
Материал корпуса | Бронза 42 3135 | Серый чугун EN-JL1040 (GG25) |
Материал конуса | Латунь 42 3234 | |
Уплотнение | O-ring EPDM | |
Диапазон рабочих температур | от -5 до 150 Co | |
Присоединение | патрубки с внутренней резьбой | фланец с грубым уплотнением |
Тип конуса | цилиндрический с вырезами | |
Расходная характеристика | линейная | |
Значения Kvs | от 0,6 до 40 м /час3 |