Воздушный клапан HL 902T 

Воздушный клапан HL 902T предназначен для предотвращения срыва гидрозатвора с сантехнических приборов, а также для предотвращения попадания загрязненного воздуха из канализационной сети в помещение.

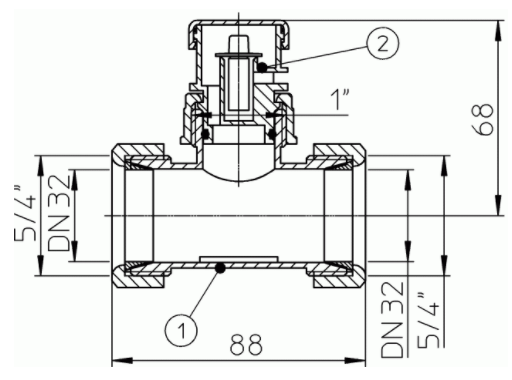
Клапан с Т-образным соединением с двумя накидными гайками 5/4" или 6/4" DN 32 или DN 40.

Позволяет защититься как от проникновения загрязнённого воздуха, идущего из канализационной системы

 

Габаритные размеры воздушного клапана HL 902T

Технические характеристики воздушного клапана HL 902T

Диаметр, DN, мм Материал Пропускная способность, л/с  Вес, гр
32 полипропилен - 75
Назад к списку