Вы здесь
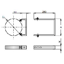
Кронштейн с хомутом L=50-250 мм ON25 для дымохода
Кронштейн с хомутом 250 мм
- элемент служит для крепления дымохода к стене, перекрытию на расстояние от 50 мм до 250 мм;
- сталь кислотостойкая нержавеющая;
- изготовитель ООО "Промышленные системы дымоходов", РБ, г.Кобрин;
- наличие товара на складе уточняйте у продавца;
- доставка товара осуществляется по договоренности с продавцом.
D = от 80 до 1000мм, возможно изготовление изделия нестандартных размеров
D | 80 | 100 | 110 | 120 | 130 | 140 | 150 | 160 | 180 | 200 | 220 | 230 | 250 | 280 | 300 | 350 | 400 | 450 | 500-1350 |
A | 80 | 100 | 110 | 120 | 130 | 140 | 150 | 160 | 180 | 200 | 220 | 230 | 250 | 280 | 300 | 350 | 400 | 450 | 500-1350 |
Назад к списку