Вы здесь
Утепленный тройник TR45 на 45 градусов для дымохода
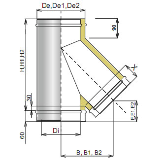
Утепленный элемент для присоединения газохода к дымоходу под углом 45 град.
- наличие товара на складе уточняйте у продавца;
- доставка товара осуществляется по договоренности с продавцом.
D = от 80 до 1000мм, возможно изготовление изделия нестандартных размеров
толщина утеплителя | Di | 80 | 100 | 110 | 120 | 130 | 140 | 150 | 160 | 180 | 200 | 220 | 230 | 250 | 280 | 300 | 350 | 400 | 450 | 500-1200 |
30 | De | 140 | 160 | 170 | 180 | 190 | 200 | 210 | 220 | 240 | 260 | 280 | 290 | 310 | 340 | 360 | 410 | 460 | 510 | см. доп. табл |
H | 318 | 346 | 360 | 375 | 389 | 403 | 417 | 431 | 459 | 488 | 516 | 530 | 558 | 601 | 629 | 700 | 771 | 841 | ||
B | 183 | 200 | 209 | 217 | 226 | 234 | 243 | 251 | 268 | 286 | 303 | 311 | 371 | 396 | 413 | 456 | 499 | 541 | ||
E | 76 | 83 | 86 | 90 | 94 | 97 | 101 | 104 | 111 | 118 | 125 | 129 | 94 | 104 | 111 | 129 | 147 | 164 | ||
50 | De1 | 180 | 200 | 210 | 220 | 230 | 240 | 250 | 260 | 280 | 300 | 320 | 330 | 350 | 380 | 400 | 450 | 500 | 550 | |
H1 | 375 | 403 | 417 | 431 | 445 | 459 | 474 | 488 | 516 | 544 | 573 | 587 | 615 | 657 | 686 | 756 | 827 | 898 | ||
B1 | 217 | 234 | 243 | 251 | 260 | 268 | 277 | 286 | 303 | 320 | 379 | 388 | 405 | 430 | 447 | 490 | 533 | 576 | ||
E1 | 90 | 97 | 101 | 104 | 108 | 111 | 115 | 118 | 125 | 132 | 97 | 101 | 108 | 118 | 125 | 143 | 161 | 178 | ||
75 | De2 | 230 | 250 | 260 | 270 | 280 | 290 | 300 | 310 | 330 | 350 | 370 | 380 | 400 | 430 | 450 | 500 | 550 | 600 | |
H2 | 445 | 474 | 488 | 502 | 516 | 530 | 544 | 558 | 587 | 615 | 643 | 657 | 686 | 728 | 756 | 827 | 898 | 969 | ||
B2 | 260 | 277 | 286 | 294 | 303 | 311 | 320 | 371 | 388 | 405 | 422 | 430 | 447 | 473 | 490 | 533 | 576 | 618 | ||
E2 | 108 | 115 | 118 | 122 | 120 | 129 | 132 | 94 | 101 | 108 | 115 | 118 | 125 | 136 | 143 | 161 | 178 | 196 |
X до диаметра 300мм (наружный контур) равен - 90мм, свыше диаметра 300мм равен - 150мм
Таблица соответствия марок нержавеющих сталей
Стандарт DIN | Стандарт AISI |
1.4016 | 430 |
1.4509 | 441 |
1.4301 | 304 |
1.4404 | 316 |
1.4828 | 309 |
Назад к списку