Вы здесь
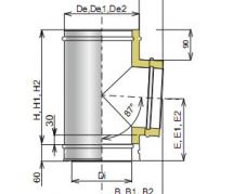
Утепленный тройник TR87 на 87 градусов для дымохода
Утепленный элемент для присоединения газохода к дымоходу под углом 87 град.
- сталь кислотостойкая нержавеющая;
- толщина изоляции 25мм;
- изоляция - жаропрочная минеральная вата Rockwool;
- наличие товара на складе уточняйте у продавца;
- доставка товара осуществляется по договоренности с продавцом.
D = от 80 до 1000мм, возможно изготовление изделия нестандартных размеров
| толщина утеплителя | Di | 80 | 100 | 110 | 120 | 130 | 140 | 150 | 160 | 180 | 200 | 220 | 230 | 250 | 280 | 300 | 350 | 400 | 450 | 500-1200 |
| 30 | De | 140 | 160 | 170 | 180 | 190 | 200 | 210 | 220 | 240 | 260 | 280 | 290 | 310 | 340 | 360 | 410 | 460 | 510 | см. доп. табл |
| H | 260 | 280 | 290 | 300 | 310 | 320 | 330 | 340 | 360 | 380 | 400 | 410 | 430 | 460 | 480 | 530 | 580 | 630 | ||
| B | 160 | 170 | 175 | 180 | 185 | 190 | 195 | 200 | 210 | 220 | 230 | 235 | 305 | 320 | 330 | 355 | 380 | 405 | ||
| E | 160 | 170 | 175 | 180 | 185 | 190 | 195 | 200 | 210 | 220 | 230 | 235 | 245 | 260 | 270 | 295 | 320 | 345 | ||
| 50 | De1 | 180 | 200 | 210 | 220 | 230 | 240 | 250 | 260 | 280 | 300 | 320 | 330 | 350 | 380 | 400 | 450 | 500 | 550 | |
| H1 | 300 | 320 | 330 | 340 | 350 | 360 | 370 | 380 | 400 | 420 | 440 | 450 | 470 | 500 | 520 | 570 | 620 | 670 | ||
| B1 | 180 | 190 | 195 | 200 | 205 | 210 | 215 | 220 | 230 | 240 | 310 | 315 | 325 | 340 | 350 | 375 | 400 | 425 | ||
| E1 | 180 | 190 | 195 | 200 | 205 | 210 | 215 | 220 | 230 | 240 | 250 | 255 | 265 | 280 | 290 | 315 | 340 | 365 | ||
| 75 | De2 | 230 | 250 | 260 | 270 | 280 | 290 | 300 | 310 | 330 | 350 | 370 | 380 | 400 | 430 | 450 | 500 | 550 | 600 | |
| H2 | 350 | 370 | 380 | 390 | 400 | 410 | 420 | 430 | 450 | 470 | 490 | 500 | 520 | 550 | 570 | 620 | 670 | 720 | ||
| B2 | 205 | 215 | 220 | 225 | 230 | 235 | 240 | 305 | 315 | 325 | 335 | 340 | 350 | 365 | 375 | 400 | 425 | 450 | ||
| E2 | 205 | 215 | 220 | 225 | 230 | 235 | 240 | 245 | 255 | 265 | 275 | 280 | 290 | 305 | 315 | 340 | 364 | 390 |
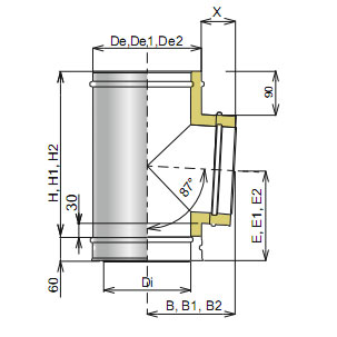
X до диаметра 300мм (наружный контур) равен - 90мм, свыше диаметра 300мм равен - 150мм
Таблица соответствия марок нержавеющих сталей
| Стандарт DIN | Стандарт AISI |
| 1.4016 | 430 |
| 1.4509 | 441 |
| 1.4301 | 304 |
| 1.4404 | 316 |
| 1.4828 | 309 |
Назад к списку




