Вы здесь
Тройник для дымохода круглый TR45 на 45 градусов
Элемент для соединения газохода с дымоходом под углом 45 градусов
- сталь кислотостойкая нержавеющая;
- изделие может иметь круглое или овальное сечение;
- изготовитель Республика Беларусь, МАКСАЭРО;
- наличие товара на складе уточняйте у продавца;
- доставка товара осуществляется по договоренности с продавцом.
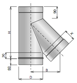
D = от 80 до 1000мм, возможно изготовление изделия нестандартных размеров
D | 80 | 100 | 110 | 120 | 130 | 140 | 150 | 160 | 180 | 200 | 220 | 230 | 250 | 280 | 300 | 350 | 400 | 450 | 500-1200 |
H | 233 | 261 | 276 | 290 | 304 | 318 | 332 | 346 | 375 | 403 | 431 | 445 | 474 | 516 | 544 | 615 | 686 | 756 | см.доп.табл. |
В | 132 | 149 | 158 | 166 | 175 | 183 | 192 | 200 | 217 | 234 | 251 | 260 | 277 | 303 | 320 | 405 | 447 | 490 | см.доп.табл. |
Таблица соответствия марок нержавеющих сталей
Стандарт DIN | Стандарт AISI |
1.4016 | 430 |
1.4509 | 441 |
1.4301 | 304 |
1.4404 | 316 |
1.4828 | 309 |
Назад к списку