Вы здесь
Гибкие вставки термостойкие Н и В
Гибкие термостойкие вставки используются в качестве линейных компенсаторов в сетях с повышенной температурой перемещаемых сред от 200 до 600 °С и более. Назначение таких гибких вставок тоже, что и у типовых: защи а от передачи вибронагрузок от источника принудительной вентиляции на воздуховоды.
Основной частью термостойкой гибкой вставки является — гибкий рукав из специальной герметичной ткани с повышенными температурными рабочими характеристиками, имеющий на двух своих сторонах усиленные присоединительные фланцы. Термостойкие гибкие вставки полностью работоспособны в диапазоне температур от -40 до +400 или +600 °С и предназначены для эксплуатации в условиях умеренного (У) климата 2-ой категории размещения по ГОСТ15150.
По вариантам рабочего сечения гибкие вставки делятся на:
- квадратная гибкая вставка;
- прямоугольная гибкая вставка;
- круглая гибкая вставка.
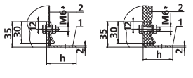
Габаритно-присоединительный размер Вариант 1


| Номер вставки | А, мм | В, мм | С, мм | а, мм | а1, мм | h, мм | n1 | n2 | t, мм | T1, мм | T2, мм | Масса, кг |
| 2.5 | 147 | 217 | 200 | - | 100 | 35 | 2 | - | 100 | 200 | - | 2.55 |
| 3.15 | 212.5 | 268.5 | 255 | 27.5 | 27.5 | 28 | 2 | 2 | 100 | 200 | 200 | 3.19 |
| 4 | 257 | 327 | 310 | 55 | 55 | 35 | 2 | 2 | 100 | 200 | 200 | 4.13 |
| 5 | 325 | 405 | 380 | 40 | 40 | 40 | 3 | 3 | 100 | 300 | 300 | 5.41 |
| 6.3 | 423 | 493 | 470 | 35 | 35 | 35 | 4 | 4 | 100 | 400 | 400 | 6.47 |
| 8 | 540 | 630 | 600 | - | 150 | 45 | 4 | 2 | 150 | 600 | 300 | 8.97 |
| 10 | 690 | 780 | 750 | - | 150 | 45 | 5 | 3 | 150 | 750 | 450 | 11.36 |
| 12.5 | - | 955 | 925 | 25 | - | 45 | 6 | - | 125 | 750 | - | 14.17 |
| 14 | 1480 | 1570 | 1540 | - | 140 | 45 | 11 | 9 | 140 | 1540 | 1260 | 23.81 |
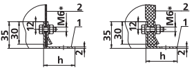
Габаритно-присоединительный размер Вариант 2


| Номер вставки | А, мм | А1, мм | В, мм | B1, мм | С, мм | С1, мм | а, мм | а1, мм | h, мм | n1 | n2 | t, мм | t1, мм | T1, мм | T2, мм | Масса, кг |
| 2.5 | 147 | 217 | 294 | 364 | 347 | 200 | 0 | 83.5 | 35 | 2 | 2 | 100 | 90 | 180 | 200 | 4.3 |
| 3.15 | 185 | 365 | 365 | 445 | 420 | 240 | 20 | 60 | 40 | 2 | 3 | 100 | 100 | 300 | 200 | 5.44 |
| 4 | 255 | 335 | 483 | 563 | 538 | 310 | 55 | 55 | 40 | 4 | 2 | 100 | 100 | 400 | 200 | 7.2 |
| 4.5 | 295 | 375 | 549 | 629 | 604 | 350 | 55 | 55 | 40 | 4 | 2 | 120 | 120 | 480 | 240 | 8.09 |
| 5 | 325 | 405 | 613 | 693 | 668 | 380 | 40 | 40 | 40 | 6 | 3 | 100 | 100 | 600 | 300 | 9.03 |
| 5.6 | 371 | 451 | 695 | 775 | 750 | 426 | 63 | 63 | 40 | 6 | 3 | 100 | 100 | 600 | 300 | 10.12 |
| 6.3 | 415 | 495 | 775 | 855 | 830 | 470 | 35 | 35 | 40 | 7 | 4 | 100 | 100 | 700 | 400 | 11.28 |
| 7.1 | 485 | 565 | 886 | 966 | 941 | 540 | 135 | 135 | 40 | 5 | 2 | 135 | 135 | 675 | 270 | 12.86 |
| 8 | 545 | 625 | 992 | 1072 | 1047 | 600 | 150 | 150 | 40 | 5 | 2 | 150 | 150 | 750 | 300 | 14.41 |
| 9 | 615 | 695 | 1115 | 1195 | 1170 | 670 | 35 | 35 | 40 | 7 | 4 | 150 | 150 | 1050 | 600 | 16.18 |
| 10 | 690 | 780 | 1257 | 1347 | 1317 | 750 | 150 | 150 | 45 | 7 | 3 | 150 | 150 | 1050 | 450 | 18.76 |
| 11.2 | 770 | 860 | 1403 | 1493 | 1463 | 830 | 40 | 40 | 45 | 9 | 5 | 150 | 150 | 1350 | 750 | 20.91 |
| 12.5 | 865 | 955 | 1578 | 1668 | 1638 | 925 | 87.5 | 87.5 | 45 | 10 | 5 | 150 | 150 | 1500 | 750 | 23.43 |
| 14 | 980 | 1070 | 1788 | 1848 | 1848 | 1040 | 168 | 184 | 45 | 9 | 4 | 168 | 168 | 1512 | 672 | 26.42 |
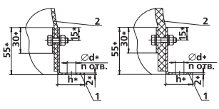
Габаритно-присоединительный размер Вариант 3


| Номер вставки | D, мм | D1, мм | h, мм | d, мм | n | Масса, кг |
| 2.5 | 248 | 280 | 25 | 9 | 8 | 4.68 |
| 3.15 | 313 | 345 | 25 | 9 | 8 | 5.92 |
| 4 | 398 | 430 | 25 | 9 | 8 | 7.54 |
| 4.5 | 448 | 480 | 25 | 9 | 8 | 8.49 |
| 5 | 498 | 530 | 25 | 9 | 16 | 9.45 |
| 5.6 | 560 | 600 | 30 | 9 | 16 | 10.65 |
| 6.3 | 628 | 660 | 25 | 9 | 16 | 11.94 |
| 7.1 | 708 | 740 | 25 | 9 | 16 | 13.47 |
| 8 | 800 | 835 | 27 | 9 | 16 | 15.3 |
| 9 | 898 | 940 | 30 | 9 | 16 | 17.09 |
| 10 | 1000 | 1050 | 37 | 12 | 24 | 19.04 |
| 11.2 | 1120 | 1170 | 37 | 12 | 24 | 21.35 |
| 12.5 | 1250 | 1285 | 30 | 12 | 24 | 23.84 |



