Вы здесь
Клапан перекидной искробезопасный АЗЕ 024.000
Клапаны перекидные искробезопасные АЗЕ 024.000 серии с 5.904-18 используются в взрывоопасных производствах для вентиляционных системах. Соответствуют взрывоопасным зонам помещений классов: В-1, В-1а, В-1 б (по классификации ПУЭ).
- Перемещаемая температура воздуха в системе не выше 80С, давление не более 1500 Па, скорость перемещаемого потока воздуха от 5,5 до 21 м/с. Не допускается перемещать липкие, агрессивные и волокнистые материалы.
 - Запыленность не должна быть более 100 мг/м3.
 
Клапаны перекидные искробезопасные АЗЕ 024.000 используются в закрытых помещениях с искусственно регулируемыми климатическими условиями и изготавливаются в климатическом исполнении УХЛ4 по ГОСТ 15150–69.
Клапаны перекидные искробезопасные изготавливаются из черной стали на фланцах из уголка. Можно устанавливать только на вертикальных участках приточных воздуховодов.
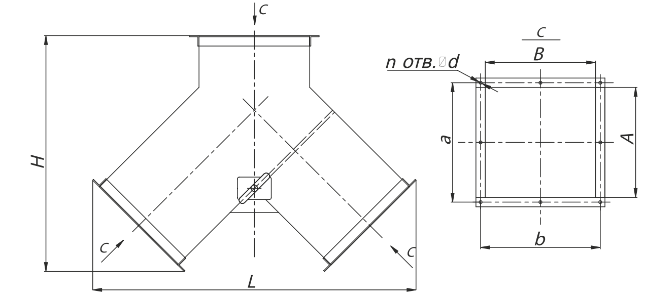
Размеры клапанов АЗЕ 024.000


			


