Люк-вставка ЛВ-2 

Люк-вставка ЛВ-2 предназначена для установки на воздуховодах вентиляционных систем и трубопроводах выхлопных газов дизелей рядом с герметичными вентиляционными клапанами типа ГК ИА, такими как ГК ИА 01013-200 или ГК ИА 01012-200.

Он обеспечивает доступ для осмотра внутренней части этих клапанов и их очистки от загрязнений.

Основные комплектующие и принцип работы

Люк-вставка ЛВ-2 состоит из следующих ключевых деталей:

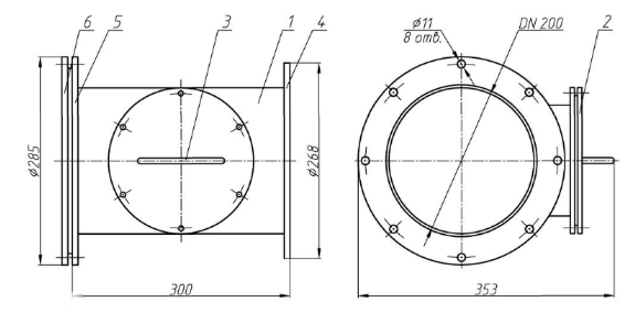
  • Корпус-тройник 1 с двумя фланцами 4 и 5 по торцам и боковым люком, который позволяет визуально, а также на ощупь провести проверку состояния и, в случае надобности, прочистить место прижатия тарели клапана герметического вентиляционного (тип ГК ИА) – гермоклапана ГК ИА 01013-200 или ГК ИА 01012-200 от возможных засорений;
  • Крышка 2, плотно закрывает проем бокового люка посредством болтовых соединений через резиновую прокладку;
  • Ответный фланец 6, комплектуется вместе с люком-вставкой ЛВ-2, для закрепления на воздуховоде. 

Люки-вставки ЛВ-2 устанавливаются на приточных и вытяжных воздуховодах толщиной не более 2 мм.

  1. Корпус-тройник
  2. Крышка
  3. Ручка
  4. Фланец
  5. Фланец
  6. Ответный фланец

Технические характеристики ЛВ-2

Параметр Значение
длина 300
ширина 353
высота 285
Номинальный диаметр, мм 200
Присоединение к трубопроводу Фланцевое
Диаметр отверстий под болты, мм 11
Количество отверстий под болты, шт 8
Установочное положение Любое, обеспечивающее свободный доступ к крышке люка-вставки
Масса, кг 7,3

Комплектность ЛВ-2

  • люк-вставка ЛВ-2;
  • паспорт;
  • техническое описание;
  • руководство по эксплуатации.

Обозначение ЛВ-2

  • Л - люк
  • В - вставка
  • 2 – номинальный диаметр 200 мм.
Назад к списку