Люк-вставка ЛВ-2-6 

Люк-вставка ЛВ-2-6 предназначена для установки на воздуховодах вентиляционных систем и трубопроводах выхлопных газов дизелей рядом с герметичными вентиляционными клапанами типа ГК ИА, такими как ГК ИА 01013-200 или ГК ИА 01012-200.

Он обеспечивает доступ для осмотра внутренней части этих клапанов и их очистки от загрязнений.

Основные комплектующие и принцип работы

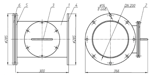
Люк-вставка ЛВ-2-6 состоит из следующих ключевых деталей:

  • Корпус-тройник 1 с двумя фланцами 4 и 5 по торцам и боковым люком, который позволяет визуально, а также на  ощупь провести проверку состояния и, в случае надобности, прочистить место прижатия тарели клапана герметического вентиляционного (тип ГК ИА) – гермоклапана ГК ИА 01013-200 или ГК ИА 01012-200 от возможных засорений;
  • Крышка 2, плотно закрывает проем бокового люка посредством болтовых соединений через резиновую прокладку;
  • Ответный фланец 6, комплектуется вместе с люком-вставкой ЛВ-2-6, для закрепления на воздуховоде.

Люки-вставки ЛВ-2-6 размещаются на воздуховодах транспортирующих газообразные средства массового поражения и аэрозоли, на воздуховодах производимых из электросварных труб, а также  на воздуховодах, предназначенных для транспортировки воздушной среды  высокой температуры от плюс 50°С и выше.

  1. Корпус-тройник
  2. Крышка
  3. Ручка
  4. Фланец
  5. Фланец
  6. Ответный фланец

Технические характеристики ЛВ-2-6

Параметр Значение
 длина 300
ширина 366
высота 285
Номинальный диаметр, мм 200
Присоединение к трубопроводу Фланцевое
Диаметр отверстий под болты, мм 14
Количество отверстий под болты, шт 8
Установочное положение Любое, обеспечивающее свободный доступ к крышке люка-вставки
Масса, кг 19

Комплектность ЛВ-2-6

  • люк-вставка ЛВ-2-6;
  • паспорт;
  • техническое описание;
  • руководство по эксплуатации.

Обозначение ЛВ-2-6

  • Л – люк
  • В – вставка
  • 2 – номинальный диаметр 200 мм
  • 6 – толщина корпуса 6 мм.
Назад к списку