Люк-вставка ЛВ-4 

Люки-вставки ЛВ-4 предназначены для установки на воздуховодах вентиляционных систем и трубопроводах выхлопных газов дизелей, непосредственно перед герметическими вентиляционными клапанами (типа ГК ИА), такими как гермоклапаны ГК ИА 01009-400 или ГК ИА 01010-400.

Эти люки используются для осмотра внутренней части герметических клапанов и их очистки от засоров.

Основные комплектующие и принцип работы

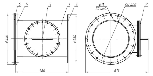
Люк-вставка ЛВ-4 состоит из следующих ключевых деталей:

  • Корпус-тройник 1 с двумя фланцами 4 и 5 по торцам и боковым люком, который позволяет визуально, а также на  ощупь провести проверку состояния и, в случае надобности, прочистить место прижатия тарели клапана герметического вентиляционного (тип ГК ИА) – гермоклапана ГК ИА 01009-400 или ГК ИА 01010-400 от возможных засорений;
  • Крышка 2, плотно закрывает проем бокового люка посредством болтовых соединений через резиновую прокладку;
  • Ответный фланец 6, комплектуется вместе с люком-вставкой ЛВ-4, для закрепления на воздуховоде.

Люки-вставки ЛВ-4 устанавливаются на приточных и вытяжных воздуховодах  толщиной не более 2 мм.

  1. Корпус-тройник
  2. Крышка
  3. Ручка
  4. Фланец
  5. Фланец
  6. Ответный фланец

Технические характеристики ЛВ-4

Параметр Значение
длина 460
ширина 619
высота 530
Номинальный диаметр, мм 400
Присоединение к трубопроводу Фланцевое
Диаметр отверстий под болты, мм 13
Количество отверстий под болты, шт 20
Установочное положение Любое, обеспечивающее свободный доступ  к крышке люка-вставки
Масса, кг 21

Комплектность ЛВ-4

  • люк-вставка ЛВ-4;
  • паспорт;
  • техническое описание;
  • руководство по эксплуатации.

Обозначение ЛВ-4

  • Л – люк
  • В – вставка
  • 4 – номинальный диаметр 400 мм.
Назад к списку