Люк-вставка ЛВ-4-8 

Люки-вставки ЛВ-4-8 предназначены для установки на воздуховодах вентиляционных систем и трубопроводах выхлопных газов дизелей, непосредственно перед герметическими вентиляционными клапанами (типа ГК ИА), такими как гермоклапаны ГК ИА 01009-400 или ГК ИА 01010-400.

Эти люки используются для осмотра внутренней части герметических клапанов и их очистки от засоров.

Основные комплектующие и принцип работы

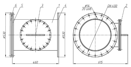
Люк-вставка ЛВ-4-8 состоит из следующих ключевых деталей:

  • Корпус-тройник 1 с двумя фланцами 4 и 5 по торцам и боковым люком, который позволяет визуально, а также на  ощупь провести проверку состояния и, в случае надобности, прочистить место прижатия тарели клапана герметического вентиляционного (тип ГК ИА) – гермоклапана ГК ИА 01009-400 или ГК ИА 01010-400 от возможных засорений;
  • Крышка 2, плотно закрывает проем бокового люка посредством болтовых соединений через резиновую прокладку;
  • Ответный фланец 6, комплектуется вместе с люком-вставкой ЛВ-4-8, для закрепления на  воздуховоде.

Люки-вставки ЛВ-4-8 размещаются на воздуховодах транспортирующих газообразные средства массового поражения и аэрозоли, на воздуховодах производимых из электросварных труб, а также  на воздуховодах предназначенных для транспортировки воздушной среды  высокой температуры от плюс 50°С и выше.

  1. Корпус-тройник
  2. Крышка
  3. Ручка
  4. Фланец
  5. Фланец
  6. Ответный фланец

Технические характеристики ЛВ-4-8

Параметр Значение
длина 460
ширина 615
высота 530
Номинальный диаметр, мм 400
Присоединение к трубопроводу Фланцевое
Диаметр отверстий под болты, мм 14
Количество отверстий под болты, шт 20
Установочное положение Любое, обеспечивающее свободный доступ к крышке  люка-вставки
Масса, кг 67

Комплектность ЛВ-4-8

  • люк-вставка ЛВ-4-8;
  • паспорт;
  • техническое описание;
  • руководство по эксплуатации.

Обозначение ЛВ-4-8

  • Л – люк
  • В – вставка
  • 4 – номинальный диаметр 400 мм
  • 8 – толщина корпуса 8 мм.
Назад к списку