Люк-вставка ЛВ-6 

Люки-вставки ЛВ-6 предназначены для установки на воздуховодах вентиляционных систем и трубопроводах выхлопных газов дизелей, непосредственно перед герметическими вентиляционными клапанами (типа ГК ИА), такими как гермоклапаны ГК ИА 01009-600 или ГК ИА 01010-600.

Эти люки служат для осмотра и очистки внутренней части герметических клапанов от засоров.

Основные комплектующие и принцип работы

Люк-вставка ЛВ-6 состоит из следующих ключевых деталей:

  • Корпус-тройник 1 с двумя фланцами 4 и 5 по торцам и боковым люком, который позволяет визуально, а также на  ощупь провести проверку состояния и, в случае надобности, прочистить место прижатия тарели клапана герметического вентиляционного (тип ГК ИА) – гермоклапана ГК ИА 01009-600 или ГК ИА 01010-600 от возможных засорений;
  • Крышка 2, плотно закрывает проем бокового люка посредством болтовых соединений через резиновую прокладку;
  • Ответный фланец 6, комплектуется  вместе с люком-вставкой ЛВ-6, для закрепления на  воздуховоде.

Люки-вставки ЛВ-6 устанавливаются на приточных и вытяжных воздуховодах  толщиной не более 2 мм.

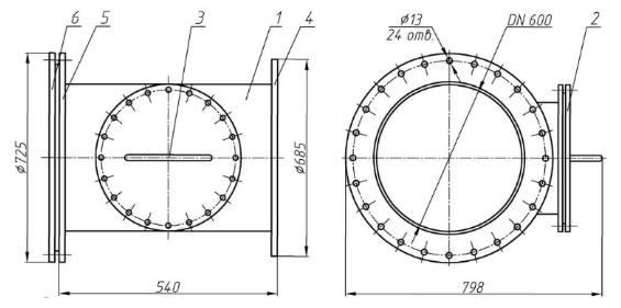
  1. Корпус-тройник
  2. Крышка
  3. Ручка
  4. Фланец
  5. Фланец
  6. Ответный фланец

Технические характеристики ЛВ-6

Параметр Значение
длина 540
ширина 798
высота 725
Номинальный диаметр, мм 600
Присоединение к трубопроводу Фланцевое
Диаметр отверстий под болты, мм 13
Количество отверстий под болты, шт 24
Установочное положение Любое, обеспечивающее свободный доступ к крышке люка-вставки
Масса, кг 49

Комплектность ЛВ-6

  • люк-вставка ЛВ-6;
  • паспорт;
  • техническое описание;
  • руководство по эксплуатации.

Обозначение ЛВ-6

  • Л – люк
  • В – вставка
  • 6 – номинальный диаметр 600 мм.
Назад к списку