Люк-вставка ЛВ-8 

Люки-вставки ЛВ-8 предназначены для установки на воздуховодах вентиляционных систем и трубопроводах выхлопных газов дизелей, непосредственно перед герметическими вентиляционными клапанами типа ГК ИА, например, гермоклапанами ГК ИА 01009-800.

Они используются для осмотра и очистки внутренней части этих клапанов от засоров.

Основные комплектующие и принцип работы

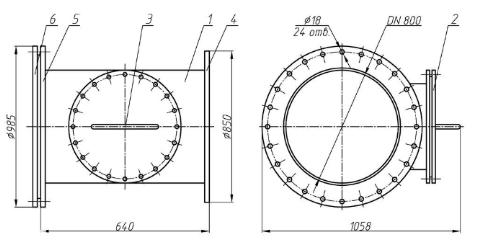
Люк-вставка ЛВ-8 состоит из следующих ключевых деталей:

  • Корпус-тройник 1 с двумя фланцами 4 и 5 по торцам и боковым люком, который позволяет визуально, а также на  ощупь провести проверку состояния и, в случае надобности, прочистить место прижатия тарели клапана герметического вентиляционного (тип ГК ИА) – гермоклапана ГК ИА 01009-800 от возможных засорений;
  • Крышка 2, плотно закрывает проем бокового люка посредством болтовых соединений через резиновую прокладку;
  • Ответный фланец 6, комплектуется   вместе с люком-вставкой ЛВ-8, для закрепления на воздуховоде.

Люки-вставки ЛВ-8 устанавливаются на приточных и вытяжных воздуховодах  толщиной не более 2 мм.

  1. Корпус-тройник
  2. Крышка
  3. Ручка
  4. Фланец
  5. Фланец
  6. Ответный фланец

Технические характеристики ЛВ-8

Параметр Значение
длина 640
ширина 1058
высота 985
Номинальный диаметр, мм 800
Присоединение к трубопроводу Фланцевое
Диаметр отверстий под болты, мм 18
Количество отверстий под болты, шт 24
Установочное положение Любое,обеспечивающее  свободный доступ к крышке люка-вставки
Масса, кг 84

Комплектность ЛВ-8

  • люк-вставка ЛВ-8;
  • паспорт;
  • техническое описание;
  • руководство по эксплуатации.

Обозначение ЛВ-8

  • Л – люк
  • В – вставка
  • 8 – номинальный диаметр 800 мм.
Назад к списку