Люк-вставка ЛВ-8-10 

Люки-вставки ЛВ-8 предназначены для установки на воздуховодах вентиляционных систем и трубопроводах выхлопных газов дизелей, непосредственно перед герметическими вентиляционными клапанами типа ГК ИА, например, гермоклапанами ГК ИА 01009-800.

Они используются для осмотра и очистки внутренней части этих клапанов от засоров.

Основные комплектующие и принцип работы

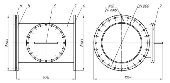
Люк-вставка ЛВ-8-10 состоит из следующих ключевых деталей:

  • Корпус-тройник 1 с двумя фланцами 4 и 5 по торцам и боковым люком, который позволяет визуально, а также на  ощупь провести проверку состояния и, в случае надобности, прочистить место прижатия тарели клапана герметического вентиляционного (тип ГК ИА) – гермоклапана ГК ИА 01009-800 от возможных засорений;
  • Крышка 2, плотно закрывает проем бокового люка посредством болтовых соединений через резиновую прокладку;
  • Ответный фланец 6, комплектуется   вместе с люком-вставкой ЛВ-8-10, для закрепления на   воздуховоде.

Люки-вставки ЛВ-8-10 размещаются на воздуховодах транспортирующих газообразные средства массового поражения и аэрозоли, на воздуховодах производимых из электросварных труб, а также  на воздуховодах предназначенных для транспортировки воздушной среды  высокой температуры от плюс 50°С и выше.

  1. Корпус-тройник
  2. Крышка
  3. Ручка
  4. Фланец
  5. Фланец
  6. Ответный фланец

Технические характеристики ЛВ-8-10

Параметр Значение
длина 670
ширина 1064
высота 985
Номинальный диаметр, мм 800
Присоединение к трубопроводу Фланцевое
Диаметр отверстий под болты, мм 18
Количество отверстий под болты, шт 24
Установочное положение Любое, обеспечивающее свободный доступ к  крышке люка-вставки
Масса, кг 219

Комплектность ЛВ-8-10

  • люк-вставка ЛВ-8-10;
  • паспорт;
  • техническое описание;
  • руководство по эксплуатации.

Обозначение ЛВ-8-10

  • Л – люк
  • В – вставка
  • 8 – номинальный диаметр 800 мм
  • 10 – толщина корпуса 10 мм.
Назад к списку