Вы здесь
Шумоглушители CSU
Шумоглушители CSU предназначены для снижения аэpодинамического шума в воздуховодах круглого сечения.
Данные шумоглушители разработаны для монтажа в ограниченном пространстве, когда нет возможности разместить все вентиляционное оборудование в линию.
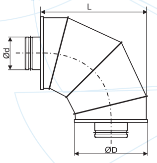
Шумоглушители устанавливаются независимо от направления движения воздуха. Корпус шумоглушителя выполнен изогнутым под углом 90° и изготовлен из оцинкованной стали.
Внутри корпуса находится слой звукопоглощающего материала из минерального волокна.
Габаритные размеры CSU
Технические характеристики CSU
Модель | Размеры, мм | Вес | Шумоподавление (дБ) на средних частотах (Гц) | |||||||||
Ød | ØD | L | кг | 63 | 125 | 250 | 500 | 1000 | 2000 | 4000 | 8000 | |
CSU 100 | 98 | 200 | 430 | 3,4 | 1 | 3 | 10 | 20 | 34 | 39 | 42 | 31 |
CSU 125 | 123 | 225 | 470 | 4,0 | 1 | 3 | 7 | 15 | 28 | 33 | 35 | 28 |
CSU 160 | 158 | 280 | 550 | 5,7 | 1 | 3 | 9 | 17 | 33 | 31 | 30 | 26 |
CSU 200 | 198 | 300 | 580 | 6,6 | 2 | 3 | 8 | 13 | 30 | 25 | 24 | 21 |
CSU 250 | 248 | 355 | 665 | 8,8 | 1 | 3 | 8 | 18 | 31 | 24 | 25 | 21 |
CSU 315 | 313 | 450 | 805 | 13,7 | 2 | 6 | 10 | 18 | 29 | 25 | 21 | 20 |
CSU 355 | 353 | 450 | 805 | 13,9 | 1 | 2 | 6 | 13 | 25 | 20 | 20 | 19 |
CSU 400 | 398 | 500 | 880 | 16,7 | 1 | 2 | 7 | 14 | 21 | 19 | 21 | 16 |
CSU 500 | 498 | 630 | 1075 | 25,0 | 1 | 3 | 9 | 24 | 19 | 21 | 22 | 19 |
CSU 630 | 628 | 800 | 1330 | 44,1 | 2 | 4 | 11 | 22 | 18 | 21 | 20 | 18 |