Вы здесь
Дефлекторы для вентиляции ДТ и ДУТ
Дефлекторы ДТ и ДУТ предназначены для монтажа на вытяжных шахтах круглого сечения в системах естественной вентиляции. Они обеспечивают эффективный воздухообмен за счёт теплового и ветрового давления.
Конструкция и история
Современная конструкция этих дефлекторов основана на серии 5.904-51. Ранее данные изделия были известны под названием дефлектор ЦАГИ.
Типоразмеры
Типоразмеры обозначаются цифрами от 3 до 10 и рассчитаны на воздуховоды диаметром от 300 до 1000 мм. При выборе размерности учитывается внешний диаметр горловины шахты — от 100 до 1400 мм. Присоединительные размеры соответствуют стандартам для воздуховодов и узлов прохода вентиляционных шахт через перекрытия.
Изготовление и нестандартные решения
Возможно изготовление дефлекторов нестандартных размеров либо по чертежам заказчика для решения индивидуальных задач.
Рекомендации по установке
Оптимальная высота монтажа дефлектора — 1,5–2,0 метра выше конька крыши. Выбор типоразмера производится с учётом расчетного объёма воздушного потока.
Технические характеристики и эксплуатация
- Изготовление по ТУ 4863-078-11865042-2011 с возможностью фланцевого или ниппельного соединения
- Работа в макроклиматических зонах с климатическим исполнением УХЛ 1 по ГОСТ 15150
- Температура перемещаемого воздуха до +80 °C при относительной влажности до 60%
- Рабочий температурный диапазон окружающей среды — от −60 °C до +40 °C
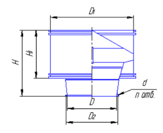
Габаритные размеры ДТ и ДУТ
Обозначение дефлектора | Диаметр воздуховода D, мм | Высота Н, мм | Диаметр цилиндра D1, мм | D2 | Высота цилиндра H1, мм | n | d | Масса, кг |
ДТ-100 | 100 | 170 | 200 | 130 | 120 | 4 | 10,5х20 | 0,8 |
ДТ-125 | 125 | 210 | 250 | 155 | 150 | 1,1 | ||
ДТ-140 | 140 | 240 | 280 | 170 | 170 | 1,4 | ||
ДТ-160 | 160 | 270 | 320 | 190 | 190 | 1,7 | ||
ДТ-180 | 180 | 300 | 360 | 210 | 215 | 2,0 | ||
ДТ-200 | 200 | 310 | 400 | 230 | 220 | 8 | 5,0 | |
ДУТ-200 | 6,5х12 | 7 | ||||||
ДТ-250 | 250 | 390 | 450 | 280 | 275 | 10,5х20 | 6,5 | |
ДУТ-250 | 6,5х12 | 9 | ||||||
ДТ-280 | 280 | 435 | 500 | 310 | 315 | 10,5х20 | 8,5 | |
ДУТ-280 | 6,5х12 | 12 | ||||||
ДТ-315 | 315 | 490 | 560 | 348 | 350 | 10,5х20 | 9,5 | |
ДУТ-315 | 6,5х12 | 13 | ||||||
ДТ-355 | 355 | 550 | 630 | 385 | 390 | 10,5х20 | 11,5 | |
ДУТ-355 | 6,5х12 | 16 | ||||||
ДТ-400 | 400 | 620 | 710 | 435 | 440 | 10,5х20 | 14,5 | |
ДУТ-400 | 6,5х12 | 20 | ||||||
ДТ-450 | 450 | 790 | 800 | 480 | 495 | 16 | 9 | 32 |
ДУТ-450 | 38 | |||||||
ДТ-500 | 500 | 870 | 900 | 535 | 550 | 38 | ||
ДУТ-500 | 45 | |||||||
ДТ-560 | 560 | 970 | 1000 | 590 | 620 | 45 | ||
ДУТ-560 | 54 | |||||||
ДТ-630 | 630 | 985 | 1125 | 665 | 700 | 10,5х20 | 51 | |
ДУТ-630 | 63 | |||||||
ДТ-710 | 710 | 1220 | 1250 | 745 | 780 | 66 | ||
ДУТ-710 | 79 | |||||||
ДТ-800 | 800 | 1370 | 1400 | 840 | 880 | 82 | ||
ДУТ-800 | 98 | |||||||
ДТ-900 | 900 | 1540 | 1750 | 940 | 1060 | 24 | 90 | |
ДУТ-900 | 163 | |||||||
ДТ-1000 | 1000 | 1770 | 2000 | 1035 | 1220 | 110 | ||
ДУТ-1000 | 209 | |||||||
ДТ-1250 | 1250 | 2125 | 2500 | 1290 | 1260 | 290 | ||
ДУТ-1250 | 329 | |||||||
ДТ-1400 | 1400 | 2080 | 2800 | 1430 | 1290 | 320 |
Условное обозначение
Пример обозначения при заказе
- ДТ-200-Н-УХЛ1 – дефлектор ДТ диаметром 200 мм для ниппельного соединения, климатического исполнения УХЛ1 по ГОСТ 15150.