Вы здесь
Узел прохода УП
Узлы прохода производятся согласно техническим условиям ТУ 4863-076-11865045-2011 и предназначены для установки в местах прохождения вентиляционных шахт круглого сечения через перекрытия помещений общего назначения в системах механической и естественной вентиляции.
Применение узлов прохода
Они используются для крепления сверху дефлекторов, зонтов и воздуховодов, а снизу к ним могут подключаться воздуховоды или клапаны типа УВК.
Конструкция узла прохода УП
Узел прохода УП (см. рис. 1) состоит из двух патрубков и опорного кольца, расположенного между ними. Места соединений уплотняются силиконовым герметиком для обеспечения герметичности. Нижний и верхний патрубки оснащены фланцами с отверстиями для крепления.
Особенности конструкции УП-2
Внутри нижнего патрубка вварено кольцо для сбора конденсата, который образуется при контакте тёплого воздуха с холодной поверхностью узла. Для отвода конденсата на нижнем патрубке предусмотрена муфта с внутренней резьбой ½". Опорное кольцо имеет квадратную форму с усечёнными углами и отверстиями для крепления к монтажным стаканам СТУМ или стаканам по серии 1.494-24. Верхний фланец предназначен для крепления зонта, дефлектора или воздуховода круглого сечения, а нижний — для установки утеплённого клапана или воздуховода.
Размеры и монтаж
Все узлы прохода имеют стандартную длину 980 мм, высота верхнего патрубка над опорным кольцом — 130 мм (включая фланец). Узлы могут монтироваться непосредственно на кровлю, на монтажные стаканы СТУМ, железобетонные стаканы по серии 1.494-24 Выпуск 1, стальные стаканы С1-С5 по серии 1.494-24 Выпуск 2, а также на другие конструкции по проектным требованиям, включая кирпичные стаканы.
Особенности узла прохода УП-4
Установка узла на монтажный стакан позволяет организовать проход вентиляционной шахты через кровли из профилированного металла (утеплённого или нет), сэндвич-панелей любой толщины и наклонные кровли. Прямоугольная форма стакана упрощает гидроизоляцию примыканий мягкой кровли, повышая её надёжность.
Дополнительные сведения
Узлы прохода не имеют собственного утепления — зазор между узлом и тёплым слоем перекрытия утепляется во время монтажа. При изготовлении опорное кольцо и нижний патрубок покрываются грунтовкой типа ГФ, а верхний патрубок изготавливается из оцинкованной стали. По запросу возможно изготовление узлов прохода нестандартных размеров и конфигураций.
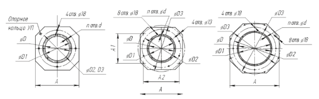
Габаритные размеры УП
-
Размеры отверстий и их расположение приведены на рисунках 5, 6, 7 и в таблицах, где
- D – диаметр узла прохода;
- D1 – диаметр окружности, по которой располагаются отверстия на фланцах патрубков;
- d – диаметр этих отверстий;
- D2 - диаметр окружности, по которой располагаются отверстия для крепления узла прохода опорным кольцом к стаканам по серии 1.494-24; диаметр отверстий 18мм, количество отверстий разное, в зависимости от типоразмера;
- D3 – диаметр окружности, по которой располагаются отверстия для крепления к стакану СТУМ; количество и диаметр отверстий зависит от типоразмера;
- Н - высота верхнего патрубка.
Габаритные и присоединительные размеры узла прохода с клапаном ручного управления с кровли длиной 980 мм
Обозначение | Размеры, мм | Рис. | Масса, кг | |||||||||
D | D1 | D2 | D3 | d | A | A1 | A2 | n | Н | |||
УП-200 | 200 | 230 | 472 | - | 6,5х12 | 560 | - | - | 8 | 190 | 1 | 22,3 |
УП-250 | 250 | 280 | 24,7 | |||||||||
УП-280 | 280 | 310 | 26,2 | |||||||||
УП-315 | 315 | 348 | 28,1 | |||||||||
УП-355 | 355 | 385 | 772 | - | 848 | 600 | 720 | 2 | 40,2 | |||
УП-400 | 400 | 435 | 43,0 | |||||||||
УП-450 | 450 | 480 | 9 | 16 | 43,0 | |||||||
УП-500 | 500 | 535 | 48,5 | |||||||||
УП-560 | 560 | 590 | 1072 | - | 1140 | 760 | 880 | 81,5 | ||||
УП-630 | 630 | 665 | 240 | 91,5 | ||||||||
УП-710 | 710 | 745 | 1283 | 10,5х20 | 1240 | - | - | 3 | 102,0 | |||
УП-800 | 800 | 840 | 106,8 | |||||||||
УП-900 | 900 | 940 | 1290 | 1546 | 1475 | 24 | 133,2 | |||||
УП-1000 | 1000 | 1035 | 155,6 | |||||||||
УП-1250 | 1250 | 1290 | 1522 | 1868 | 1765 | 187,8 |
Габаритные и присоединительные размеры узла прохода с клапаном ручного управления с кровли длиной 1300 мм
Обозначение | Размеры, мм | Рис. | Масса, кг | Клапан УВК | |||||||||||
D | D1 | D2 | D3 | d | A | A1 | A2 | n | Н | Обозначение клапана УВК | Н клапана УВК, мм | Масса клапана УВК, кг | |||
УП-200 | 200 | 230 | 472 | - | 6,5х12 | 560 | - | - | 8 | 190 | 1 | 24,9 | 200 | 190 | 3,9 |
УП-250 | 250 | 280 | 28,2 | 250 | 4,9 | ||||||||||
УП-280 | 280 | 310 | 30,1 | 280 | 5,4 | ||||||||||
УП-315 | 315 | 348 | 32,3 | 315 | 6,1 | ||||||||||
УП-355 | 355 | 385 | 772 | - | 848 | 600 | 720 | 2 | 44,0 | 355 | 7,5 | ||||
УП-400 | 400 | 435 | 47,7 | 400 | 8,5 | ||||||||||
УП-450 | 450 | 480 | 9 | 16 | 51,1 | 450 | 9,9 | ||||||||
УП-500 | 500 | 535 | 54,5 | 500 | 11,4 | ||||||||||
УП-560 | 560 | 590 | 1072 | - | 1140 | 760 | 880 | 96,3 | 560 | 13,5 | |||||
УП-630 | 630 | 665 | 240 | 101,5 | 630 | 240 | 16,8 | ||||||||
УП-710 | 710 | 745 | 1283 | 10,5х20 | 1240 | - | - | 3 | 113,3 | 710 | 23,5 | ||||
УП-800 | 800 | 840 | 119,5 | 800 | 27,6 | ||||||||||
УП-900 | 900 | 940 | 1290 | 1546 | 1475 | 24 | 150,6 | 900 | 32,2 | ||||||
УП-1000 | 1000 | 1035 | 171,5 | 1000 | 36,9 | ||||||||||
УП-1250 | 1250 | 1290 | 1522 | 1868 | 1765 | 207,7 | 1250 | 51,4 |
Условное обозначение
Пример обозначения при заказе
- УП-О-250-БК-980-У2 – узел прохода вентиляционных шахт, общепромышленного исполнения, с диаметром D=250 мм, без встроенного клапана, длиной 980 мм, климатического исполнения У2.