Вы здесь
Воздухораспределитель ПРМ
Предназначены для подачи приточного воздуха коническими струями системами вентиляции, воздушного отопления и кондиционирования в верхнюю зону помещений производственных и общественных зданий с высоты не более 8 м. Воздухораспределители применяются в системах отопления, вентиляции и кондиционирования воздуха с рабочим давлением до 1500Па (150 кгс/м2).
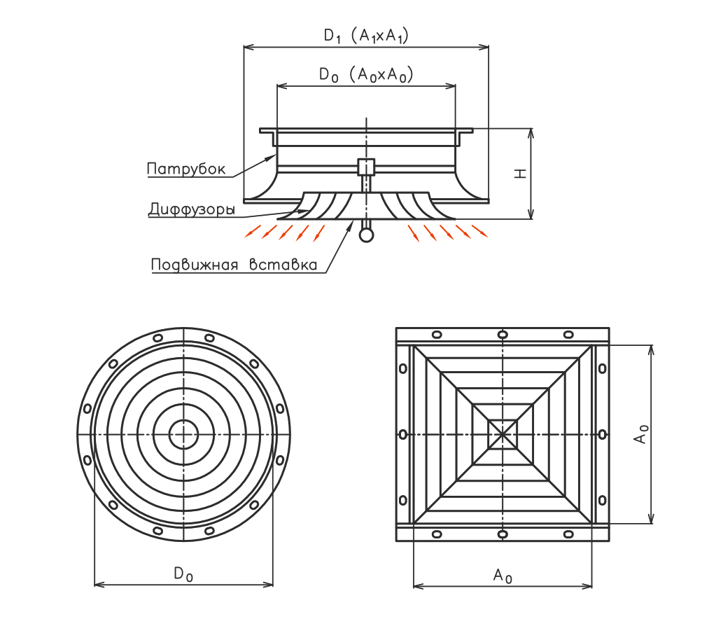
Воздухораспределитель состоит из патрубка и соединенного с ним подвижной вставки, содержащей четыре закрепленных неподвижно относительно друг друга диффузора. Конструкцией предусмотрено крепление воздухораспределителей к воздуховоду, потолку или стенке камеры.
Подвижной плафон позволяет изменять форму и характеристики приточной струи. Конструкция защищена авторским свидетельством № 1241036. Разработана конструкция воздухораспределителей круглого – ПРМ и прямоугольного – ПРМп и ПРМпф сечений.
Технические характеристики ПРМ
№ | Обозначение | Размер входного канала (D0), мм | Размер выходного канала (D1), мм | Высота, мм | Масса, кг | Расход воздуха 10 м3/час |
1 | ПРМ-1 | 250 | 335 | 110 | 1,3 | 0,35-3,53 |
2 | ПРМп-1 | 250x250 | 335х335 | 110 | 1,6 | 0,45-4,54 |
3 | ПРМ-2 | 315 | 410 | 117 | 1,9 | 0,56-5,62 |
4 | ПРМ-3 | 400 | 510 | 140 | 2,7 | 0,9-9,07 |
5 | ПРМп-3 | 400x400 | 510х510 | 140 | 2,9 | 1,15-11,5 |
6 | ПРМ-4 | 500 | 630 | 166 | 4,1 | 1,4-14,1 |
7 | ПРМп-4 | 500x500 | 627х627 | 166 | 4,1 | 1,8-18,0 |