Вы здесь
Воздухораспределители ВСП
Воздухораспределитель ВСП применяется в производственных, вспомогательных, загроможденных оборудованием помещениях в системах отопления и вентиляции, для подачи воздуха.
Также ВСП применяются для подавичи воздуха компактной приточной струей при обмывании рабочей зоны обратным потоком.
Однако ВСП используются и для подачи воздуха наклонными вниз струями. При этом в помещении должна быть встречная подача воздуха.
Воздухораспределитель монтируется на расчетной высоте выше рабочей зоны на прямых участках сети.
Также ВСП устанавливаются непосредственно на отводах воздуховодов. Поворот воздуха при такой реализации может осуществлятся сверху, снизу или сбоку. ВОздухораспределитель устанавливется на высоте не более 8 м от пола, это обусловлено его обслуживанием.
Расход воздуха, который подается в пределах оптимальных значений приведен в таблице:
Технические характеристики ВСП
Обозначение | Расход воздуха, м3/ч | Размер сечения патрубка, мм | Расчетная площадь, м 2 | Габаритные размеры,мм | Масса кг |
ВСП 1 | 3600-10800 | 500х500 | 0,25 | 635х635х279 | 11,0 |
ВСП 2 | 14400-43200 | 1000х1000 | 1,0 | 1235х1235х480 | 46,1 |
ВСП 3 | 24000-71600 | 1250х1250 | 1,66 | 1490х1490х585 | 74,6 |
ВСП 4 | 36600-110700 | 1600х1600 | 2,56 | 1840х1840х745 | 114,2 |
ВСП 5 | 67600-172800 | 2000х2000 | 4,0 | 2240х2240х930 | 165,0 |
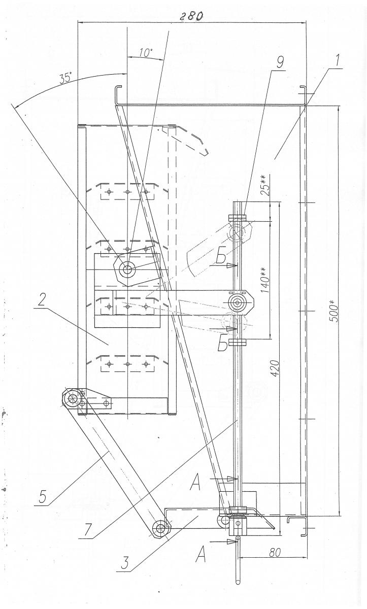
Конструкция воздухораспределителя ВСП:
- Неподвижный патрубок прямоугольного сечения 1 с фланцем для присоединения к воздуховоду;
- Поворотный патрубок 2, имеющий горизонтальные и вертикальные полки;
- Заслонки 3.
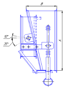
В центре поворотной части находится шарнир, который поворачивается на 100 вверх и 350 вниз от горизонтали. Заслонка устанавливается на осях патрубка неподвижной стены. Упавляетя поворотный патрубок штангой с крюком. Крюк поворачивается вручную на определенное количество оборотов.
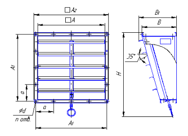
Габаритные размеры ВСП
Воздухораспределители ВСП1 - ВСП4
Обозначение | Расчетная площадь, Fо, м2 | Расход воздуха, Lо, м3/ч | Размеры, мм | Масса, кг | ||||||||
А | А1 | А2 | В | В1 | Н | а | d | n | ||||
ВСП-1 | 0,25 | 3600-10800 | 500 | 530 | 556 | 257 | 280 | 665 | 132,5 | 6,5х12 | 16 | 10,0 |
ВСП-2 | 1,0 | 14400-43200 | 1000 | 1048 | 1096 | 400 | 465 | 1180 | 149,7 | 28 | 33,0 | |
ВСП-3 | 1,66 | 24000-71600 | 1250 | 1298 | 1346 | 490 | 575 | 1430 | 144,2 | 36 | 48,6 | |
ВСП-4 | 2,56 | 36900-110700 | 1600 | 1648 | 1696 | 622 | 746 | 1780 | 183,1 | 10,5х20 | 77,9 |
Воздухораспределители ВСП5
Обозначение | Размеры, мм | Расчетная площадь, F0, м2 | Расход воздуха L0, м3/ч | Масса, кг | ||||
Сечение неподвижного патрубка АхА, мм | Длина В, мм | а | d | n | ||||
ВСП-5 | 2000х2000 | 930 | 186,2 | 12х18 | 44 | 4,0 | 57600-172800 | 165,0 |
Коэффициент сопротивления | ||
ξ | m | n |
1,25 | 6,3 | 4,5 |
Условное обозначение
Пример обозначения при заказе
- ВСП-1-УХЛ3 – воздухораспределитель прямоструйный для сосредоточенной подачи воздуха с расчетной площадью 0,25 для районов с умеренным и холодным климатом.
Заказать воздухораспределители ВСП можно по телефонам:
- +375 17 252 54 27
- +375 17 258 67 51
- +375 29 603 88 99
Звоните! Мы рады каждому клиенту!
Назад к списку