Вы здесь

Заслонки воздушные унифицированные АЗД 134.000 

Заслонки воздушные взрывозащищенные АЗД применяются в системах вентиляции, кондиционирования воздуха, воздушного отопления и других санитарно-технических системах.

Заслонки не допускаются для применения в вентсистемах, перемещающих взрывоопасные пыли, парогазовоздушные смеси от технологических установок, в которых взрывоопасные вещества нагреваются выше температуры их самовоспламенения или находятся под избыточным давлением. При установке заслонки ось лопатки должна быть расположена горизонтально.

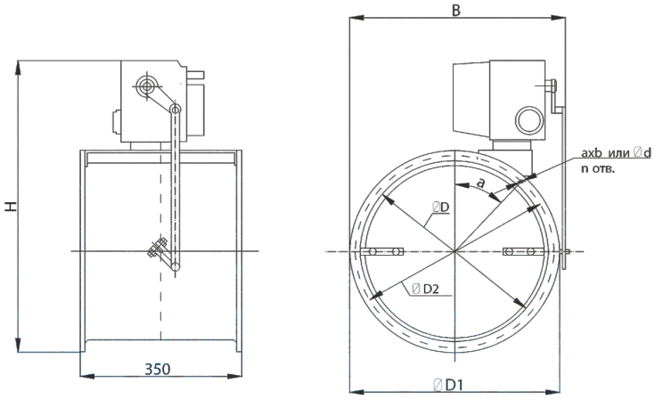
Заслонка представляет собой корпус из тонколистовой стали с двумя фланцами для присоединения к воздуховодам. Внутри корпуса на осях установлены от одной до трёх лопаток,на которые припомощисистемы тягирычагов,передается движение отпривода, укрепленного на корпусе заслонки.

Габаритные и присоединительные размеры

Заслонки воздушные унифицированные АЗД 134.000

Заслонки воздушные унифицированные АЗД 134.000

Назад к списку