Вы здесь
Крышный зонт LGH
Крышный зонт LGH предназначен для установки на воздухозаборном или воздуховыпускном отверстях.
Используется для вентиляторов DHS.
- пустой (без электродвигателя и рабочего колеса) корпус крышных вентиляторов DVS/DHS/DVN;
- размеры соответствуют размерам крышных вентиляторов.
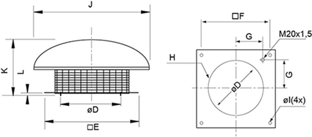
Габаритные размеры крышных зонтов LGH
Модель | Ø D | □ E | □ F | G | H | Ø I | J | K | L |
LGH 190/225 | 213 | 335 | 245 | 105 | 6xM6 | 10 | Ø 417 | 150 | 30 |
LGH 310/311 | 285 | 435 | 330 | 146 | 6xM6 | 10 | Ø 540 | 250 | 30 |
LGH 355/400 | 438 | 595 | 450 | 200 | 6xM8 | 12 | Ø 720 | 330 | 30 |
LGH 450-500 | 438 | 665 | 535 | 237 | 6xM8 | 12 | Ø 830 | 490 | 30 |
LGH 560/630 | 605 | 939 | 750 | 293 | 8xM8 | 14 | Ø 1100 | 535 | 30 |
LGH 710 | 674 | 1035 | 840 | 320 | 8xM8 | 14 | Ø 1282 | 580 | 40 |
Аэродинамические характеристики крышных зонтов LGH
Модель | Кривая аэродинамического сопротивления № |
LGH 190/225 | 1 |
LGH 310/311 | 2 |
LGH 355/400 | 3 |
LGH 450/499/500 | 4 |
LGH 560/630 | 5 |
LGH 710 | 6 |