Крышный зонт LGV 

Крышный зонт LGV предназначен для монтажа на крыше на отверстии воздухозабора или воздуховпуска.

Зонт совместим с такими сериями вентиляторов, как DVS/DHS/DVN.

Они изготавливается под типоразмеры этих крышных вентиляторов.

Крышный зонт LGV отличается высокой прочностью и стойкостью к атмосферным явлениям.

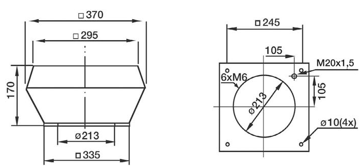
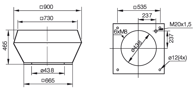
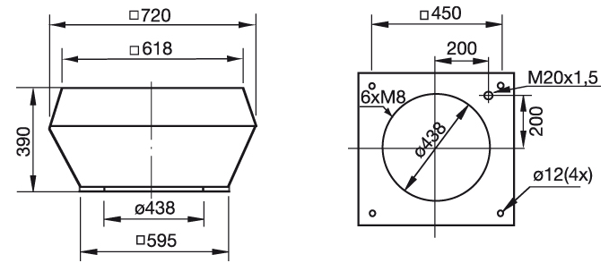
Габаритные размеры крышного зонта LGV

LGV 190-225

Крышный зонт LGV - 1

LGV 310-311

Крышный зонт LGV - 2

LGV 355-400

Крышный зонт LGV - 3

LGV 450-500

Крышный зонт LGV - 4

LGV 560-630

Крышный зонт LGV - 5

LGV 710

Крышный зонт LGV - 6

LGV 800-900

Крышный зонт LGV - 7

Аэродинамические характеристики крышного зонта LGV

Крышный зонт LGV - 8

Крышный зонт LGV - 9

Модель Кривая аэродинамического сопротивления №
LGV 190/225 1
LGV 310/311 2
LGV 355/400 3
LGV 450/499/500 4
LGV 560/630 5
LGV 710 6
LGV 800/900 7
Назад к списку