Вы здесь
Датчик пламени Siemens QRA2M
Датчик пламени Siemens QRA2M предназначен для использования вместе с автоматами горения Siemens для контроля горения пламени газа или жидкого топлива.
Датчик применяется для контроля пламени горения газа, желтого или синего пламени горения жидкого топлива и для проверки искры зажигания.
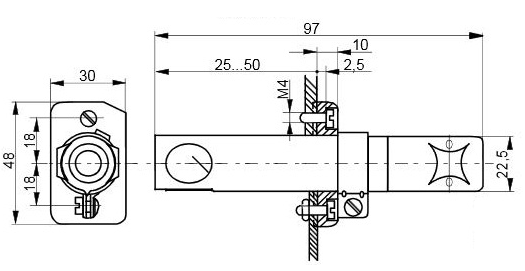
Габаритные размеры QRA2M
Технические характеристики QRA2M
Напряжение питания | ∿ 220 В |
Класс чувствитильности | Высокая |
Цвет | Зеленая |
Запасной УФ-фотоэлемент | AGR 4 502 4065 0 |
Артикул производителя | QRA2M |
Модификации | Для применения с автоматом горения типа | Режим работы |
QRA2..., QRA10... | LGB2... / LGB4... c AGQ1... | Периодический |
LFL... | ||
LFE1... | ||
LFE10... | ||
LMG... c AGQ2... | ||
LME21… / LME22… / LME39… c AGQ3… | ||
LMV2… / LMV3... | ||
LMV5… c AGQ1… |